大家好,欢迎来到IT知识分享网。
层的设置
在PCB的EMC设计考虑中,首先设计的是对于层的设置;
单板的层数由电源,地的层数和信号层数组成
电源层,地层,信号层的相对位置及其电源,地平面的分割对单板的EMC指标至关重要。
合理的层数
根据单板的电源,地的种类,信号密度,板级工作频率,有特殊布线要求的信号量,及其综合单板的性能指标要求与成本承受能力,确定单板的层数,对于EMC的指标要求苛刻(如:产品需要认证CISPR16 CLASS B)而相对成本能承受的情况下,适当增加地平面是PCB的EMC设计的杀手锏。
VCC,GDD的层数
单板电源的层数通过其种类和数量决定;对于单一电源供电的PCB,一个电源平面足够;对于多种电源,若互补交错;可以考虑采取电源层分割,(确保相邻层的关键信号,布线不跨分割区)
对于电源相互交错,(尤其8260等IC,多种电源供电,且互相交错)的单板,则必须考虑采用两个,或者两个以上的电源平面,每个电源平面的设置满足一下条件:
单一电源或多种互不交错的电源
相邻层的关键信号不跨分割层
地的层数满足电源平面的要求外,还要考虑:
元件面的下面(第2层或者倒数第2层)有相对完整的地平面
高频 高速 时钟等关键信号有相对完整的地平面
关键电源有一 对应的地平面相邻(如48V,BGND相邻)
信号层数
层数 样板-板厚2.0mm 样板-板厚3.0mm 批量板-板厚2.0mm 批量板-板厚3.0mm
2 0.47 0.59 0.32 0.34
2 1 1.26 0.59 0.62
6 1.41 1.76 0.82 1.03
8 2.03 2.47 1.29 1.53
10 3.35 3.97 1.62 1.62
12 4.56 5.59 2.15 2.21
VCC GND平面的阻抗及其电源,地之间的EMC环境问题
电源,地平面存在自身的特性阻抗,电源平面的阻抗比地平面高;
为了降低电源平面的阻抗,尽量把PCB的主电源平面,与对应的地平面相邻排布并且尽量靠近;利用两者耦合电容,降低电源平面的阻抗。
电源地平面构成的平面电容与PCB上的退耦电容一起构成频响曲线,比较复杂的电源地电容,它的有效退耦频带比较宽(但是存在谐振问题);
Vcc Gnd 作为参考平面,两者的作用与区别
电源 地平面均能用作参考平面,且有一定的屏蔽作用,但相对而言,电源平面具有较高的特性阻抗,与参考平面存在较大的电位势差,从屏蔽角度,地平面一般均作接地处理,并作为基准电平参考点,其屏蔽效果远远高于电源平面。
单板布线的一般原则
元件下面(第二层)为地平面,提供屏蔽,为顶层布线提供参考平面
所有信号线尽可能与地线相邻
尽可能避免两个信号层的直接相邻
主电源尽可能与对应地相邻
兼顾层压结构对层
对于母板层排布,对于板级工作频率在50MHZ以上,(低于50Mhz以下,适当放款),建议布线原则:
元件面,焊接面为完整的地平面(屏蔽)
无相邻平行布线层
所有信号层尽可能与地平面相邻
关键信号与底层相邻 不跨分割区
对于以上原则灵活掌握,下面是一个单板布线的案例
方案一
需要满足阻抗控制
芯板不易过厚,以降低电源,地平面的分布阻抗,保证电源平面的去耦效果
为了达到一定的屏蔽效果,有人试图把电源和低平面放在TOP 和BOTTOM层
方案二
此方案存在缺陷
电源 地 相距过大,电源平面的阻抗大
电源 地由于元器件和焊盘等影响,及其不完整
由于参考面不完整 信号阻抗不连续
—————————–无电源平面,就没有电源平面阻抗问题,元器件少,第二层铺铜可以做参考平面;
方案三
成本要求较高的时候,可以采用方案1,优选布线层S1,S2;其次是S3,S4,与方案1相比,方案2保证了电源,地平面相邻,减少电源阻抗,但S1,S2,S3,S4全部裸露在外面,只有S2才有较好的参考平面
对于局部 少量的信号要求较高的场合,方案4比方案3更合适。它能提供极佳的布线层S2
目前 方案2 4 具有极好的EMC性能,方案1,3具有较好的性价比
对于14层及其以上的层数的单板,由于其组合情况的多样性,这里不做举例;
对于单板首选方案2,次选方案1;方案1有成本优势,但是相邻布线较多,平行长线难以控制。
模块划分及其特殊器件的布局
频率发生器,驱动器,电源模块,滤波器件,等在PCB上的相对位置和方向都会对磁场的发射和接收产生巨大影响,另一方面以上的布局直接影响到布线的质量。
按照功能划分
不同功能:时钟电路,放大电路,驱动电路;A/D;D/A转换电路,I/O电路;开关电源,滤波电路等
一个完整的设计可能包含多种功能的电路模块,进行电路设计需要依据信号的流向,对整个电路进行划分;从而确保各个模块的合理布局;达到整体布线路径短;各个模块相互不交错,减少模块间的相互干扰等可能性。
按照频率划分
按照工作频率和速率对电路模块进行划分:高,中,低,依次展开;互不交错。
按照信号类型分
划分为模拟电路和数字电路两部分,需要降低数字电路对模拟电路的干扰;从空间上必须做数字电路和模拟电路的隔离;从而减小之间的耦合;如A/D;D/A转换电路;应该布放在数字电路和模拟电路的交界处,器件布放的方向应该以信号流向为前提;使信号引线最短;并让模拟部分的管脚位于模拟地上方;数字部分的管脚位于数字地上方。
综合布局
信号流向关系:尽可能保证高速信号走线最短;时钟信号尽可能短 如果时钟信号无法缩短,则在时钟线两侧加上屏蔽地线;对于比较敏感的信号线,应该考虑到屏蔽措施。
时钟线有较大的对外辐射,会对有一些敏感的电路,特别是模拟电路产生较大的影响;因此电路布局应该让时钟电路原理其他的无关电路,为了防止时钟信号的对外辐射,一般远离I/O电路和电缆线链接器。
低频的数字I/O电路和模拟I/O电路应该靠近连接器布放,时钟电路,高速电路,存储器和器件尝放在电路板的最靠近边(远离拉手条)的位置;中低速逻辑电路一般放在电路板的中间位置
如果A/D,D/A电路,则一般放在电路板最中间的位置。
—-这个是电路布局的一个原则
方法:
1 区域分割,数字电路,模拟电路,接口电路,时钟,电源进行分区。
2 数模转换电路应分布在数字电路区域和模拟电路区域的交接处。
3 时钟电路 高速电路 存储器电路应布放在电路板最靠近里面的位置,低频I/O电路,模拟I/O电路应该靠近HEAD头布置
4 应该基于信号流布置,使得关键信号的连线最短,
5 功率放大与控制驱动部分远离屏蔽体的局部开孔 尽快离开木板,
晶振和晶体等要就近对应IC 放置;
基准电压源(模拟电压信号 输入线,A/D变换参考电源)
特殊部分的器件布局
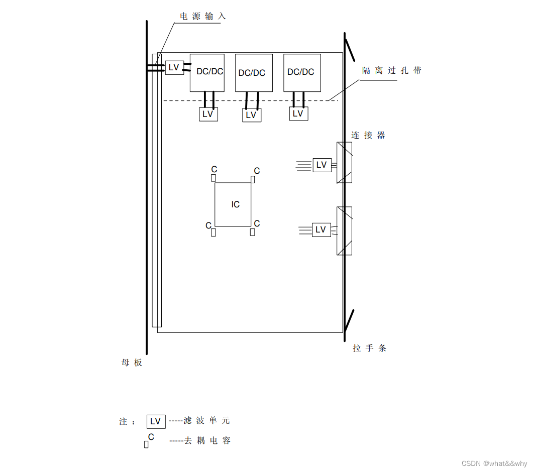
在分散供电的单板上都要有一个或者多个DC/DC电源模块,加上与之相关的电路,如滤波防护等电路共同构成单板电源输入部分。
现在的EMI 产生的重要源头,干扰频带可以达到300Mhz以上,系统中多个单板都有独立的电源;但是干扰可以通过背板和空间传播到其他的单板上,而单板供电线路越长,长生的问题就越大。所以电源部分必须安装在电源入口处;如果存在大面积的电源部分,也要求统一放在单板一侧,下面是一个比较好的防置方法,也是大多数单板存在的方法。
另外 因为单板的电源部分 相对比较独立,常常产生EMI问题;所以推荐利用管控或者分割线讲电源和其他电路部分进行隔离。
时钟部分
时钟部分是单板最大的干扰源,也是进行PCB设计最需要特殊处理的部分,布局时一方面要使时钟源距离单板边距离尽量大,另一方面使时钟输出到负载的走线尽量短,在布线部分中,我们提到时钟线要优先考虑布线层,并进行必要的匹配,屏蔽等处理。
电感线圈
线圈是最有效的接收或者发射磁场的器件,建议线圈距离EMI尽量远的地方,这些发射源是开关电源,时钟输出,总线驱动。
线圈下方PCB上不能有高速走线或者敏感的控制线,如果不能避免就一定要考虑线圈的方向问题,要使磁场方向和线圈方向平行,保证线圈磁力线最少。
总线驱动的布局
总线驱动是时钟之外的另一个主要的MEI源头;
在布局上,要求总线驱动部分离单板拉手条距离尽量远,减小对系统外的辐射,同时要求驱动后信号的距离尽量的靠近
滤波器件
去耦电容,三端口电容,磁珠,电源滤波,接口滤波都是滤波器件,摆放位置不当滤波效果都会大大折扣。
安装就近原则。
去耦电容尽量靠近IC的电源管脚;
电源滤波要尽量靠近电源输入或者电源输出;
局部功能模块的滤波要靠近模块的入口;
对外接口的滤波要靠近接插件;
版铜皮的时候需要把“没用”的铜皮给挖掉,比如一些碎铜,尖角铜皮,孤岛铜等等,这些铜皮不仅提供不了屏蔽的效果,还会影响信号质量。
免责声明:本站所有文章内容,图片,视频等均是来源于用户投稿和互联网及文摘转载整编而成,不代表本站观点,不承担相关法律责任。其著作权各归其原作者或其出版社所有。如发现本站有涉嫌抄袭侵权/违法违规的内容,侵犯到您的权益,请在线联系站长,一经查实,本站将立刻删除。 本文来自网络,若有侵权,请联系删除,如若转载,请注明出处:https://haidsoft.com/119531.html









