大家好,欢迎来到IT知识分享网。
目录
#创作灵感#
近期复习关于模拟电子技术基础的相关知识,关于集成运算放大器的线性应用和非线性应用偶有所得,特在此记录对使用集成运算放大器构成滞回比较器(施密特触发器)的浅薄理解。
1.集成运算放大器
上图(a)(b)分别为集成运算放大器(以下简称“集成运放”)的符号、集成运放的传输特性曲线。并且根据模拟电子技术基础的知识可知:
(1)

(2)当集成运放开环(无反馈网络结构)增益为:

进而可知当



2.稳压管


根据模拟电子技术基础中关于稳压管的知识可知:
二极管电流-电压特性曲线
(1)当二极管电压达到稳压值Uz时,图中曲线很陡,说明流过二极管的电流在大小变化时,二极管两端的电压大小基本不变,在一定电压范围内,二极管的交流电阻很小。这就是稳压二极管的工作原理,稳压二极管利用的是二极管的反向工作特性。
(2)重要参数—稳定电压Uz:稳压管反向击穿后稳定工作时的电压值称为稳定电压。
因此对于图(a),当U>Uz时,稳压二极管两端电压U=Uz;对于图(b),记




3.滞回比较电路工作原理
滞回比较电路(又叫:施密特触发器)的电路图如下:
1)符号说明
Ui 表示输入电压,Uo表示输出电压,UR表示参考电压,U+、U-分别表示集成运放的同相输入电压和反相输入电压。
2)电路分析
反馈网络
电阻R1和R2构成电压串联正反馈,根据瞬时极性法,当Ui输入对地为+的信号后,进入集成运放的反相输入端,因此经过集成运放后,Uo(集成运放的6端口)处为对地为–的信号,经过R2反馈到集成运放的同相输入端,故而 Uid = Ui – (-Uf),形成正反馈信号。
U+,U-输入分析
由于
因为:
Uo输出分析
当



当



3)传输特性曲线
由上述分析可知



当



因此:
当






当






传输特性曲线如下:
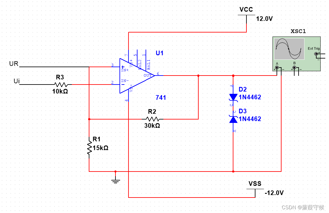
4)带稳压管的滞回比较电路
由于当集成运放输出

电路分析
当



传输特性曲线
传输特性曲线如下:
4.仿真实验
仿真电路
其中
输入曲线和输出曲线
传输特性曲线
免责声明:本站所有文章内容,图片,视频等均是来源于用户投稿和互联网及文摘转载整编而成,不代表本站观点,不承担相关法律责任。其著作权各归其原作者或其出版社所有。如发现本站有涉嫌抄袭侵权/违法违规的内容,侵犯到您的权益,请在线联系站长,一经查实,本站将立刻删除。 本文来自网络,若有侵权,请联系删除,如若转载,请注明出处:https://haidsoft.com/119682.html








