大家好,欢迎来到IT知识分享网。
提示:文章写完后,目录可以自动生成,如何生成可参考右边的帮助文档
文章目录
- 前言
- 4.2 Direct current (DC) supply voltage 直流供电电压
- 4.3 Overvoltage 过电压
- 4.4 Superimposed alternating voltage 叠加交流电压
- 4.5 Slow decrease and increase of supply voltage 电源电压缓慢下降和上升
- 4.6 Discontinuities in supply voltage 供电电压不连续
- 4.7 Reversed voltage 反向电压
- 4.8 Ground reference and supply offset 接地基准和电源偏移
- 4.9 Open circuit tests 开路测试
- 4.10 Short circuit / overload protection 短路 / 过载保护
- 4.11 Withstand voltage 耐压试验
- 4.12 Insulation resistance 绝缘电阻
- 4.13 Electromagnetic compatibility 电磁兼容
- 附:DUT工作状态等级
- 设计总结
- 参考文献
前言
从4.2到4.13,共十二项电性能测试,每一项都对汽车电子产品的设计提出了不同的要求,本文主要对这十二项测试进行解读及进行设计建议,以使产品通过该标准测试并提高产品的可靠性。
本文主要关注12V汽车电子产品,因此解读与建议也都只会列举12V汽车电子产品的例子。而24V系统与12V系统相比,只是电压高了一些,所以在某些测试中的电压范围会有不同,但原理基本是一样的。
4.2 Direct current (DC) supply voltage 直流供电电压
针对于该项测试,在产品硬件设计时可以注意以下几点:
- 保证在产品工作电压范围内(例如 9V~16V),产品可以正常工作。如果产品电源输入电路有过压或欠压保护功能,就要通过配置使得欠压保护阈值在9V以下,过压保护阈值在16V以上(将误差也计算进来,防止误触发);
- 确定好产品的工作温度范围后,在进行电路设计和器件选型时注意温度降额(例如温漂等)的情况,确保电路可以在低温和高温下都可以正常工作。
4.3 Overvoltage 过电压
4.3.1 Long term overvoltage 长期过电压
4.3.1.1 在 Tmax − 20 °C的温度下进行交流发电机故障测试
该测试模拟交流发电机调节器(alternator regulator)故障的其中一种情况。
汽车中的交流发电机会产生13.5V~14.5V左右的直流电,以为整车电气设备供电。它的输出电压调节是由交流发电机电压调节器来进行调节的,电压调节器可以监控输出电压并根据需要调整,以确保即使在不同的负载条件下,输出电压也能保持稳定。但是,如果电压调节器发生故障,那么交流发电机的输出电压就可能出现过高、过低、不稳定或者完全无输出的情况。因此这项测试handle的就是输出电压高于正常值的情况。
针对于该项测试,在产品硬件设计时可以注意以下几点:
- 设计完善的电源监控和管理电路,例如:在产品电源入口处设计过压保护电路,例如使用LM74502等类似芯片,如下图,通过分压电阻设定过压值,当电源输入(VIN)超过Umax时执行关断保护动作,保护后级电路;当过压工况移除后,重新恢复正常。
- 过压保护电路之前往往还会有一些直接与供电电源连接的器件,例如输入电容Cin、TVS等,在选型时要注意这些器件需要可以承受长时间18V的工作电压(仅针对于这一项测试,实际该标准还有一些测试对这些器件提出了更高的耐压要求,见下文)。
4.3.1.2 在室温和Tmin下测试跳跃启动
针对于该项测试,在产品硬件设计时可以注意以下几点:
- 首先就是在产品电源入口处设计过压保护电路,因为 jump start 与4.3.1.1相比,实际上就是一种电压更高、持续时间更短的过电压测试,所以上一项测试提出的过压保护要求也同样适用在这一项中;
- 同样地,过压保护电路之前的、直接与供电电源连接的器件和器件引脚,例如输入电容Cin、TVS等,在选型时要注意这些器件需要可以承受26V的工作电压,虽然这一项测试只有60s过电压,与4.3.1.1的60min相比非常短,但保险起见,我们就直接将器件选型为可以耐26V工作电压的等级,这样就可以同时通过长时间过电压和跳跃启动两项测试。
4.3.2 Transient overvoltage 瞬态过电压
该项测试也是过电压测试的一种情况,和4.3.1.1相比,唯一的差别就是过电压持续的时间。因此实际设计需要看我们需要实现的工作状态。
针对于该项测试,在产品硬件设计时可以注意以下几点:
- 如果不需要DUT在该 transient 中正常工作(即得到客户和供应商同意,工作状态可以为Class C),那就把这项测试视作真正的过电压即可,它的电路设计与4.3.1.1相同(即过压保护和器件耐压选型);
- 如果需要DUT在该 transient 中正常工作(Class B,部分正常工作),那么就需要在电源回路上放置储能元件(例如输入电容)以及瞬态抑制电路等。
4.4 Superimposed alternating voltage 叠加交流电压
针对于该项测试,在产品硬件设计时可以注意以下几点:
- 在电源入口处增加合适的滤波电路和旁路电容,抑制交流干扰;
- 对电源噪声和纹波敏感的电路可以使用线性稳压器(选型时注意纹波抑制比)供电,减小噪声和干扰;
- 合理规划电路板布局和布线(例如敏感电路远离入口处电源及开关电源环路、避免信号线与电源线平行走线等),减少电磁耦合干扰;
- 必要时使用隔离和屏蔽措施。
4.5 Slow decrease and increase of supply voltage 电源电压缓慢下降和上升
针对于该项测试,在产品硬件设计时可以注意以下几点:
- 设计完善的电源监控和管理电路,例如:在产品电源入口处设计欠压保护电路,在输入电压低于产品工作电压时执行关断保护动作,待输入电压恢复正常值后从关断状态恢复;
- 关注电源入口处的第一级电源芯片的线性调整率(Line Regulation)指标;
- 注意电源入口处的PCB电源布线宽度/面积,确保电源网络在低输入电压(相对高输入电流)情况下的通流能力。
4.6 Discontinuities in supply voltage 供电电压不连续
4.6.1 Drops or interrupts in supply voltage 供电下降或者中断
4.6.1.1 电源电压瞬间下降
针对于该项测试,在产品硬件设计时可以注意以下几点:
- 如果不需要DUT在该项测试中正常工作(即得到客户和供应商同意,工作状态可以为Class C),那就把这项测试视作真正的欠电压即可,设计完善的电源监控和管理电路,例如:在产品电源入口处设计欠压保护电路;
- 如果需要DUT在该项测试中正常工作(Class B,部分正常工作),那么就需要在电源回路上放置储能元件(例如输入电容)以及瞬态抑制电路等。
4.6.1.2 电源电压微中断
- CASE1
- CASE2
这两个case的区别就是setup中的电源开关的导通和关断时间不同,即模拟了不同的工况。
针对CASE1,在 tmicro (关断时间)≤ 100us时,由于时间较短,因此标准要求此时DUT的工作状态为Class A,而在tmicro > 100us时,工作状态为Class C;
针对CASE2,由于tmicro ≥ 100ms,时间较长,因此标准要求此时DUT工作状态为Class C。
针对于该项测试,在产品硬件设计时可以注意以下几点:
- 需要在电源回路上放置储能元件(例如输入电容)以及瞬态抑制电路等,保证储能元件在CASE1的100us以内的微中断情况能够为电路提供足够的能量,维持电路正常运行直至电压恢复;
- 如果需要,可以设计复位电路和故障保护机制,确保在CASE2情况中,电源电压恢复正常后,设备能够正常启动。
4.6.2 Micro interruption in supply voltage 电压降时的复位行为
4.6.3 Starting profile 启动曲线测试
该项测试有4个level,分别对应了如下4种工况:
- Warm crank 热启动
- Cold crank with good battery at cold temperature 低温下使用好的电池进行冷启动
- Cold crank with aged battery at cold temperature 低温下使用老化的电池进行冷启动
- Cold crank with good battery at room temperature 室温下使用好的电池进行冷启动
这里面主要有三组对比:
- 冷启动 vs 热启动: 冷启动与热启动的区别主要体现在发动机和发电机启动时电池电压下降的程度(Us1和 Us)以及恢复正常所用的时间(t3和 trise)。在都是好电池的情况下,冷启动时电池电压会掉到6V左右,且正弦脉冲持续时间(交流发电机启动)在10s左右,恢复正常的时间在0.1s;而热启动是启动暖机,此时电池电压会掉到8V左右,且正弦脉冲持续时间(交流发电机启动)在1s左右,恢复正常的时间在0.04s。
- 低温 vs 室温: 低温与室温的区别主要体现在电池电压下降的程度(Us1)。在都是好电池的情况下,低温冷启动时电池电压会掉到4.5V左右,而室温冷启动时电池电压会掉到6V左右。
- 好电池 vs 老化电池: 好电池与老化电池的区别主要体现在发动机和发电机启动时电池电压下降的程度(Us1和 Us)以及发电机噪声叠加的时间(t3)。在都是低温冷启动的情况下,老化电池的电压会掉到3V左右,且正弦脉冲持续时间(交流发电机启动)在1s左右;而好电池的电压会掉到4.5V左右,且正弦脉冲持续时间(交流发电机启动)在10s左右。
整体看起来,最坏的工况就是老化电池在低温冷启动时的工况。
标准对于测试期间DUT工作状态等级要求的划分比较细,这与测试工况和产品工作电压范围有关,可以在表格种对应检索。
针对于该项测试,在产品硬件设计时可以注意以下几点:
- 设计完善的电源监控和管理电路,例如:在产品电源入口处设计欠压保护电路,在输入电压低于产品工作电压时执行关断保护动作,待输入电压恢复正常值后从关断状态恢复;
- 若产品需要在Starting profile下达到Class AClass B的工作状态,则需要电源入口处的电源芯片支持宽压输入并可以实现连续、稳定的输出电压调节,并在回路上放置储能元件和瞬态抑制元件;
- 在电源入口处增加合适的滤波电路和旁路电容,抑制交流干扰;
- 对电源噪声和纹波敏感的电路可以使用线性稳压器(选型时注意纹波抑制比)供电,减小噪声和干扰;
- 合理规划电路板布局和布线(例如敏感电路远离入口处电源及开关电源环路、避免信号线与电源线平行走线等),减少电磁耦合干扰;
- 必要时使用隔离和屏蔽措施。
4.6.4 Load dump 抛负载
- Case1:无内部电压钳位的交流发电机(without centralized load dump suppression)
- Case2:有内部电压钳位的交流发电机 (with centralized load dump suppression)
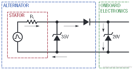
后来有很多汽车的交流发电机会内置钳位功能,用以在抛负载期间将最大电压限制在相对较低的值内,因此这种工况下,抛负载瞬间电压不会升到case1那么高,12V系统下最高升至35V,这就是case2波形的由来。
针对于该项测试,在产品硬件设计时可以注意以下几点:
- 电源入口处增加瞬态抑制二极管(TVS),将浪涌电压钳位在合适的值以保护后级电路。具体选型可以参考汽车电子产品硬件电路设计——电源入口处TVS选择;
- 由于抛负载浪涌电压能量较大(电压高、脉宽长),强烈建议直接选择spec中明确规定满足 ISO 16750-2 load dump 或 ISO 7637-2 5a/5b 标准的TVS;
- 在TVS选择上,除了参考上面的link以外(上述link是一个比较通用的选择和计算流程),建议TVS的钳位电压在35V以上。原因是汽车交流发电机虽然内置了最高35V钳位功能,但实际上,我们在电源入口处增加的TVS和交流发电机的钳位器是并联关系,它们同时承受浪涌电压(如下图所示)。因此,若我们选择的TVS钳位电压小于35V,那么还未等交流发电机内部的钳位器起作用,我们的TVS就已经开始钳位,即被迫吸收了全部能量。为了不首当其冲,需要使TVS钳位电压>35V。
- 设计完善的电源监控和管理电路,例如:在产品电源入口处设计过压保护电路;
- 过压保护电路之前的、直接与供电电源连接的器件和器件引脚,例如输入电容Cin等,在选型时要注意这些器件需要可以承受高于TVS钳位电压的工作电压。
4.7 Reversed voltage 反向电压
这项测试是验证产品在使用辅助启动装置的情况下承受反向电池连接的能力。此测试有两个 test case,对于12V系统的产品,可以根据实际情况来选择其中一个case进行测试。测试波形及条件如下:
- Case 1
- Case 2
针对于该项测试,在产品硬件设计时可以注意以下几点:
- 在电源入口处设计完善的防反接电路,具体可参考汽车电子产品硬件电路设计——电源入口处防反接电路。
- 对于防反接电路之前的、直接与供电电源连接的器件和器件引脚,在选型时要注意这些器件和器件引脚需靠可以承受-14V电压。
4.8 Ground reference and supply offset 接地基准和电源偏移
针对于该项测试,在产品硬件设计时可以注意以下几点:
- 如果需要,可以在电源入口处选择可以进行连续、稳定电压输出调节的电源芯片,以应对电源偏移工况;
- 对于车内组件间的通信,优先选择差分信号传输技术(例如CAN,车载以太网等),提高电路对共模噪声(其中一项就是电源偏移或地偏移)的抗干扰能力;
- 如果实际确实需要单端信号传输的,可以提高互联系统收发阈值的buffer,提高容错率(比如发送端是5V高电平,那么接收端至少4~6V都要判断成高电平),以增强汽车电子产品在电源偏移或地偏移工况下的鲁棒性和可靠性。
4.9 Open circuit tests 开路测试
开路测试旨在评估汽车电子设备在电源或信号线束开路时的响应和耐受能力。这个测试分为单线中断和多线中断,区别就是断开单根线还是多根线,分为4.9.1和4.9.2两种情况。
4.9.1 Single line interruption 单线中断
此项测试是验证产品在单线中断工况下的行为状态,中断的类型可以是静态的或动态的。静态中断就是cable直接断开了(即下述 Test method 1 实验),动态中断是指cable松散,因此连接时断时续(即下述 Test method 1 实验,标准要求两个 Test method都要测试,标准要求该项测试,DUT的工作状态为Class C或Class D。以下是两个实验的具体要求:
- Test method 1
一句话总结就是:对于DUT的每一个电路(信号和电源),在工作状态下,将cable断开10s(开路阻抗 ≥ 10MΩ),然后恢复,观察测试过程中及测试后的DUT表现。
- Test method 2
4.9.2 Multiple line interruption 多线中断
4.10 Short circuit / overload protection 短路 / 过载保护
该项测试是模拟了产品发生短路和输出过载的工况,分为信号线和负载电路短路(4.10.2)和输出过载(4.10.3)两种情况。
4.10.2 Short circuit in signal lines and load circuits 信号线和负载电路短路
针对于该项测试,在产品硬件设计时可以注意以下几点:
- 对于CAN、RS-232等接口,在芯片选型时需要选择支持短路功能(对电源、对地)的接口芯片,一般这类接口芯片都会支持该功能,具体也可以在芯片官网中可以查到。比如TI的TCAN1042-Q1芯片(CAN接口芯片),会有一个Functional Safety Information来具体说明芯片的短路表现,如下图所示:
- 对于I/O类hardwire的信号:
- Input:可以在信号入口处增加电阻分压和限流,保证该信号可以承受电源电压;对于一些直接input到MCU等processor的信号,可以增加隔离电路(比如MOSFET)来保护内部芯片;
- Output:考虑在短路情况做限流 ;可以增加回采电路来检测输出信号状态(短路、开路等);
- 对于输出负载电路类的设计,在器件选型时选择带有短路保护的电源芯片 / High side switch,比如 TI 的TPS1HC100-Q1:
4.10.3 Overloading of load circuits 负载电流过载
针对于该项测试,在产品硬件设计时可以注意以下几点:
- 负载电路选择带有过流保护的电源芯片 / switch芯片,并确认spec中描述的芯片过流表现符合设计预期。比如上文提到的TPS1HC100-Q1:
4.11 Withstand voltage 耐压试验
具有电感负载的电路在关闭负载时可能会产生高压,这种高压可能会对隔离电路之间的绝缘性产生破坏,该项测试就是验证产品在这样的工况下的介电耐压能力,只有包含电感元件(例如继电器、电机、线圈)或连接到具有电感负载的电路的系统 / 组件才需要进行该测试。测试步骤如下:
标准要求在进行此项测试之前,DUT要根据 ISO 16750-4 进行湿热循环测试,测试结束后, DUT在室温下放置0.5h后,进行施加500V rms(50Hz~60Hz)正弦电压、持续时间 60s 的耐压测试。测试位置如下:
- 具有电气隔离的连接器端子之间;
- 具有电气隔离的连接器端子和导电外壳之间;
- 对于塑料外壳,电压施加在连接器端子和被金属电极(例如金属箔)覆盖的塑料外壳上。
针对于该项测试,在产品硬件设计时可以注意以下几点:
- 确保电路板上的连接器 / 导体间有足够的间距(爬电距离),尤其是感性负载电路。
4.12 Insulation resistance 绝缘电阻
- 具有电气隔离的连接器端子之间;
- 具有电气隔离的连接器端子和导电外壳之间;
- 对于塑料外壳,电压施加在连接器端子和被金属电极(例如金属箔)覆盖的塑料外壳上。
针对于该项测试,在产品硬件设计时可以注意以下几点:
- 在进行连接器选型时,注意确认连接器是否通过了绝缘电阻的测试,并查看测试报告。比如MOLEX 连接器的Connector Testing Doc
- 确保电路板上的连接器 / 导体间有足够的间距(爬电距离)。
4.13 Electromagnetic compatibility 电磁兼容
至此,ISO 16750-2 (2023) 标准已解读完毕。
由于笔者项目经验及专业经验的限制,对于每一项测试的硬件电路设计建议会有诸多局限,请大家批判性阅读,并欢迎留言纠正与补充,谢谢!
附:DUT工作状态等级
设计总结
接下来对上文提出的汽车电子产品硬件电路设计建议进行总结,一些细节不在此做阐述,可以直接翻到上文中找对应的具体信息。
- 保证在产品工作电压范围内(例如 9V~16V),产品可以正常工作。并设计完善的电源监控和管理电路,保证其可以在欠压或过压状态及时保护后级电路,并可以在异常现象移除后可以自行恢复供电,选型及设计时注意保护阈值的误差;
- 过压保护电路之前往往还会有一些直接与供电电源连接的器件,例如输入电容Cin、TVS等,在选型时要注意这些器件需要可以承受长时间26V跳跃启动的电压;
- 确定好产品的工作温度范围后,在进行电路设计和器件选型时注意温度降额(例如温漂等)的情况,确保电路可以在低温和高温下都可以正常工作;
- 在电源回路上放置储能元件(例如输入电容)以及瞬态抑制电路等,抑制瞬态电压;
- 在电源入口处增加合适的滤波电路和旁路电容,抑制交流干扰;
- 对电源噪声和纹波敏感的电路可以使用线性稳压器(选型时注意纹波抑制比)供电,减小噪声和干扰;
- 关注电源入口处的第一级电源芯片的线性调整率(Line Regulation)指标;
- 合理规划电路板布局和布线(例如敏感电路远离入口处电源及开关电源环路、避免信号线与电源线平行走线等),减少电磁耦合干扰;
- 必要时使用隔离和屏蔽措施;
- 注意电源入口处的PCB电源布线宽度/面积,确保电源网络在低输入电压(相对高输入电流)情况下的通流能力;
- 电源入口处的电源芯片支持宽压输入并可以实现连续、稳定的输出电压调节;
- 电源入口处增加瞬态抑制二极管(TVS),将浪涌电压钳位在合适的值以保护后级电路,具体选型可以参考汽车电子产品硬件电路设计——电源入口处TVS选择;
- 由于抛负载浪涌电压能量较大(电压高、脉宽长),强烈建议直接选择spec中明确规定满足 ISO 16750-2 load dump 或 ISO 7637-2 5a/5b 标准的TVS;
- 在TVS选择上,除了参考上面的link以外,建议TVS的钳位电压在35V以上。
- 过压保护电路之前的、直接与供电电源连接的器件和器件引脚,例如输入电容Cin等,在选型时要注意这些器件需要可以承受高于TVS钳位电压的工作电压。
- 在电源入口处设计完善的防反接电路,具体可参考汽车电子产品硬件电路设计——电源入口处防反接电路
- 对于防反接电路之前的、直接与供电电源连接的器件和器件引脚,在选型时要注意这些器件和器件引脚需靠可以承受-14V电压。
- 对于车内组件间的通信,优先选择差分信号传输技术(例如CAN,车载以太网等),提高电路对共模噪声(其中一项就是电源偏移或地偏移)的抗干扰能力;
- 如果实际确实需要单端信号传输的,可以提高互联系统收发阈值的buffer,提高容错率(比如发送端是5V高电平,那么接收端至少4~6V都要判断成高电平),以增强汽车电子产品在电源偏移或地偏移工况下的鲁棒性和可靠性。
- 对于CAN、RS-232等接口,在芯片选型时需要选择支持短路功能(对电源、对地)的接口芯片,一般这类接口芯片都会支持该功能,具体也可以在芯片官网中可以查到。
- 对于I/O类hardwire的信号:
- Input:可以在信号入口处增加电阻分压和限流,保证该信号可以承受电源电压;对于一些直接input到MCU等processor的信号,可以增加隔离电路(比如MOSFET)来保护内部芯片;
- Output:考虑在短路情况做限流 ;可以增加回采电路来检测输出信号状态(短路、开路等);
- 对于输出负载电路类的设计,在器件选型时选择带有过流保护和短路保护的电源芯片 / High side switch;
- 在进行连接器选型时,查看测试报告确认连接器是否通过了绝缘电阻的测试;
- 确保电路板上的连接器 / 导体间有足够的间距(爬电距离),尤其是感性负载电路。
参考文献
- ISO 16750-1
- ISO 16750-2
- From Cold Crank to Load Dump: A Primer on Automotive Transients
- Low Quiescent Current Surge Stopper: Robust Automotive Supply Protection for ISO 7637-2 and ISO 16750-2 Compliance
- 汽车电子产品硬件电路设计——电源入口处TVS选择
- 汽车电子产品硬件电路设计——电源入口处防反接电路
免责声明:本站所有文章内容,图片,视频等均是来源于用户投稿和互联网及文摘转载整编而成,不代表本站观点,不承担相关法律责任。其著作权各归其原作者或其出版社所有。如发现本站有涉嫌抄袭侵权/违法违规的内容,侵犯到您的权益,请在线联系站长,一经查实,本站将立刻删除。 本文来自网络,若有侵权,请联系删除,如若转载,请注明出处:https://haidsoft.com/124594.html





一句话总结就是:对于DUT的每一个电路(信号和电源),在工作状态下,将cable断开10s(开路阻抗 ≥ 10MΩ),然后恢复,观察测试过程中及测试后的DUT表现。






