大家好,欢迎来到IT知识分享网。
一、逻辑电路的概念及含义
逻辑一词具有条理清晰见解的含义,它是建筑在给一系列组合电路输入电子信号(ON、OFF),然后读取其输出这一过程上的。逻辑电路是最基本的电子电路,是所有数字电路的基础。电脑能够精确、高速的进行各种处理和复杂运算,其运算系统是由许多复杂电路构成的,这些复杂电路的基本组成是逻辑电路,数字电路就是由逻辑电路组成。
二、基本逻辑门电路的原理及应用
2.1 基本逻辑门电路简介
逻辑门电路也就是电子开关,在数字电路中使用了大量的电子开关。逻辑门电路是指有两个以上的输入和一个输出的逻辑电路。
最基本的三个逻辑门电路分别是:
逻辑与运算 – 与门电路(AND);
逻辑或运算 – 或门电路(OR);
逻辑非运算 – 非门电路(NOT);
此外还有一个与非门电路(NAND)。
2.2 逻辑与运算 —— AND电路
上图所示的串联接点电路,开关A、B的输入状态与指示灯亮灭状态可归结为真值表图中( d )。完成这种动作的电路,称作逻辑与运算电路或称作AND电路。
这种电路的逻辑符号如图中( b ),逻辑关系式是:X=A·B,如图中( c ),即若输入全部为“H”,则输出为“H”。若输入有一个“L”,则输出为“L”。
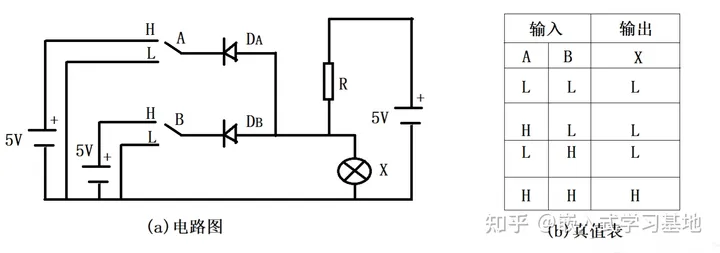
2.2.1 应用电路
应用电路图如上图(a)所示:是用普通二极管构成的AND电路。输入A和B电压是5伏。在此,5伏为高电平H,0伏为低电平L。当开关A和L相连接,X电压为0,开关A和开关B中,只要有一个和L相连,X上的输出电压就是0,只有两个开关都切换到H,X的电压才是5伏。
补充说明:
- 当A、B开关都接L时,二极管DA和DB都是导通的(因为他们负极接的负电,正极通过电阻R接的正电)。当二极管导通的时候,根据我们所学的原理,我们可将其看作一根导线。而电灯泡X的电阻一定比二极管导通的时候要大,因此电流不会经过X,电灯泡X不亮。
- 当A、B开关一个接L一个接H时,只有一个二极管导通,因此还是电流不会经过X,电灯泡X不亮。
- 当A、B开关都接H时,DA二极管负极接的5伏电压,而它的正极通过电阻器接的5伏电压。DB二极管和DA情况一样。这样的话它们的负极电压都比正极电压高,二极管均反偏(截止,既然截止就相当于断开了)。那么电流一定经过电灯泡X,形成回路。所以就亮了。
2.2.2 应用实例
当地铁靠站时,站台一侧的车门一起打开,车门信号灯一起点亮。上下车完毕、铃声停止后,车门关闭。这时,车门没有完全关闭的车厢其车门信号灯依旧亮着,当车门完全关闭、车门信号灯熄灭的同时,司机驾驶台上的确认指示灯点亮。才能开车。
2.3 逻辑或运算 —— OR电路
上图所示的是以并联方式连接的2个开关A和B与信号灯的关系。将开关的合、并(ON、OFF)与信号灯的亮、灭之间用“1”、“0”对应,完成这种动作的电路(并联节点电路)称作逻辑或(运算)电路或OR电路。
这种电路的逻辑符号如图中( b ),逻辑关系式是:X=A+B,如图中( c ),即若输入中有“1”,则输出为“1”。若全部输入“0”,则输出为“0”。
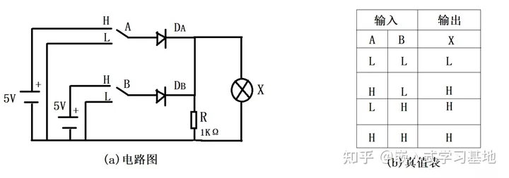
2.3.1 应用电路
应用电路图如上图(a)所示:是用普通二极管构成的OR电路。输入电压均是5伏。在此,5伏为高电平H,0伏为低电平L。当开关A和开关B与L相连接时,电阻上没有电流流动,X电压为0,即输出为L。当开关B的二极管导通,电阻上有电流流动。此时,电阻两端的电压为5伏,即输出为H,反之,当开关A与H相连,开关B与L相连时,输出状态与上述相同。当开关A和开关B中,都与H相连,电阻上有电流通过,X上的输出电压就是5伏,即输出为H。
2.3.2 应用实例
无人售票公共汽车的座位旁边有几组通知司机用的下车呼叫灯与按钮。乘客只要按下其中的任何一个开关,所有的信号灯就一起点亮,通知司机有乘客要下车。汽车到站、打开车门后,复位电路发挥作用,使电路回复原状(关掉所有的信号灯)。
2.4 逻辑非运算 —— NOT电路
上图所示的是车内灯的开关板原理图。从图中可见,开关A连接着电磁继电器的触点。如果用手压这个按键,这个触点必然向下走,就会使得触点断开。所以A输入0的时候,灯泡是亮的。按下开关就是输入1,但是灯是不会亮的。
2.4.1 应用电路
应用电路图如上图(a)所示:是用普通三极管构成的NOT电路。在此,5伏为高电平H,0伏为低电平L。开关A连接L时,三极管截止,电阻RC上没有电流通过,因此没有压降,电压表指示为5伏。当开关A连接H时,三极管的基极电压上升,集电极导通,电阻RC上有电流通过而产生电压降,电压表X的指示为0伏,即输出L。
补充说明:
当A接到H时,三极管基极高电平,三极管因此饱和,那么另一端5伏电压经过电阻RC,集电极和发射极,形成回路。集电极和发射极之间的电阻很小。它一定没有电灯泡X的电阻大。灯泡就不会亮。
当A接到L时,三极管基极连接负电,三极管因此截止,此时集电极和发射极之间形成断路,那么另一端5伏电压经过电阻RC,电灯泡X,形成回路。灯泡就会亮。
2.4.2 应用实例
这里介绍小轿车车内灯闪烁电路。打开车门时,装在车门一角的推杠弹出,无论哪个车门打开或者两个车门都打开时车内灯都点亮。反之,只要不是全部的车门都关闭则车内灯不熄灭。
三、常用复合门电路的原理与使用
在逻辑电路中,二极管、晶体管等半导体器件也被用来作为开关元器件发挥着很大的作用。因为没有接点,所以被称作无接点继电器。
上述门电路多级连接,即一个门的输出接到另一个门的输入时,带来两个问题:第一,使用二极管和电阻构成的逻辑元件(二极管门电路)时,当将多个门串联起来后,电压电平(1)和(0)的电平差逐渐缩小,即使设计的再好,在3-4级后仍会不可分辨。
为了克服以上缺点,实际应用中在与门及或门的后面加上一级非门,利用三极管对与门(或门)的输出波形进行放大、整形;并将二极管接在集电极上进行嵌位,保证输出高电平被嵌定于某一电平值,而当二极管饱和导通时,输出低电平为0.3V左右。这样,高、低电平值不会因多级链接而发生偏离;另外,三极管有一定的带负载能力,从而可以构成与非门、或非门、与或非门电路,这类电路统称复合门门电路。
下面我们以与非门电路为例,简单介绍一下复合门电路。
3.1 与非门电路 —— NAND电路
NAND也称为与非门电路,是对逻辑与(AND)电路的输出在进行非逻辑运算(NOT)的电路。这种电路的原理如上图所示:没有按下开关时,开关A和开关B均为OFF,即为0状态,且两个开关的节点都接通,所以灯泡为ON,即为1状态;而当开关A和开关B的状态分别是0、1或1、0灯泡都发光,为1的状态;只有将两个开关都按下,即都为1的状态时,由于开关的节点全部断开,灯泡熄灭,输出状态为0。即只有输入全为1时,输出才是0。
另外,常用的复合门电路还有NOR电路等。
希望上述内容能够对大家有所帮助,如果有不明白的小伙伴欢迎提问,后续也会持续分享学习和进阶的方法。
免责声明:本站所有文章内容,图片,视频等均是来源于用户投稿和互联网及文摘转载整编而成,不代表本站观点,不承担相关法律责任。其著作权各归其原作者或其出版社所有。如发现本站有涉嫌抄袭侵权/违法违规的内容,侵犯到您的权益,请在线联系站长,一经查实,本站将立刻删除。 本文来自网络,若有侵权,请联系删除,如若转载,请注明出处:https://haidsoft.com/129521.html






