大家好,欢迎来到IT知识分享网。
一、基本概述
1、驱动电路定义:如下图所示,驱动电路位于控制电路与负载电路之间,将控制电路的控制信号转化为负载电路所需的驱动信号,提供足够电流或功率驱动负载电路;
控制电路:各类单片机,处理器等;
驱动电路:晶体管与MOS管构成的放大电路,开关电路;驱动IC;
负载电路:电机、继电器、LED灯、音频设备;
2、低端驱动与高端驱动
a、低端驱动:如下图,负载一端接电源,一端接开关管,开关管控制负载的电势低端,称为低端驱动;
低端驱动一般使用NPN、NMOS管等
b、高端驱动:如下图,负载一端接地,一端接开关管,开关管控制负载的电势高端,称为高端驱动;
高端驱动一般使用PNP、PMOS管等
二、OC门与OD门
OC门就是三极管的C极开路,集电极开路
OD门就是MOS管的漏极开路
应用说明:
OC门和OD门可以输出低电平,不能输出高电平,如果要输出高电平的话,需要外接上拉电阻
OC门和OD门可以连续的接在一起,再接个上拉电阻,可以构成“线与”特性。如IIC总线,只要一路输出低电平,总线均为低电平,总线全部输出高电平,总线才为高电平
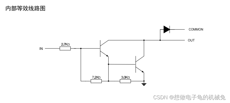
手册阅读:ULN2003A,达林顿管
ULN2003是高耐压、大电流达林顿陈列,由七个NPN 达林顿管组 成。所有单元共用发射极,每个单元采用开集电极输出。每一对达林 顿都串联一个2.7K 的基极电阻,直接兼容TTL 和5V CMOS 电路,可 以直接处理原先需要标准逻辑缓冲器来处理的数据。
ULN2003 工作电压高,工作电流大,灌电流可达500mA,并且能 够在关态时承受50V 的电压,输出还可以在高负载电流下并行运行, 很好的提供了需要多接口驱动电路的解决方案。
三、推挽
如下图,推挽采用互补输出,上下管只有一路处于导通状态,即具有低电平驱动能力,又具有高电平驱动能力。(OC或OD门只有低电平驱动能力)
stm32的GPIO引脚构成
图腾柱驱动电路
PWM为高电平时,Q4导通(Q4的Uce=0.1V)Q2导通,U8NMOS管的寄生电容通过R3、Q2放电,保证U8处于截止状态,Q2只能降到0.7V,0.7V以下的通过R6放电;
PWM为低电平时,Q4截止,Q2截止,Q3导通,通过R3给NMOS管的寄生电容充电;
四、半桥
半桥的上下管是独立控制的,推挽输出是两个管同时控制的
半桥由上下管构成,可以单独控制上下管的导通与截止,具有高低压的驱动能力,应用时需要避免上下管同时导通造成断路
a、应用于半桥式开关电源
b、两个半桥可以组成全桥驱动,可以驱动有刷直流电机
c、三个半桥可以驱动无刷电机
阅读手册IR2104STRPBF硬石就用的这个IC
五、全桥
全桥由四个管子构成,通过控制上下管可以改变输出的电流流向,比如控制直流电机的正反转。
应用:
应用于全桥式开关电源
驱动负责,控制电流流向
阅读手册LV8548MC-AH全桥驱动芯片,内部包含两组全桥电路
六、产品应用
1、单片机GPIO口驱动LED
2、全桥IC驱动直流有刷电机
3、晶体管驱动LED
4、OC门驱动步进电机(使用ULN2003)
5、晶体管驱动继电器
6、全桥电路驱动大功率有刷直流电机,下图是用分立元件构成的
免责声明:本站所有文章内容,图片,视频等均是来源于用户投稿和互联网及文摘转载整编而成,不代表本站观点,不承担相关法律责任。其著作权各归其原作者或其出版社所有。如发现本站有涉嫌抄袭侵权/违法违规的内容,侵犯到您的权益,请在线联系站长,一经查实,本站将立刻删除。 本文来自网络,若有侵权,请联系删除,如若转载,请注明出处:https://haidsoft.com/130168.html
























