大家好,欢迎来到IT知识分享网。
参考链接:三种电源防反接电路(二极管、PMOS)_防反接保护用什么二极管-CSDN博客
硬件基本功-29-二极管防反接_哔哩哔哩_bilibili
硬件基本功-34-稳压管的使用_哔哩哔哩_bilibili
桥式整流电路原理;电感滤波原理;电容滤波原理_总结桥式整流,电容滤波电路的特点-CSDN博客
钳位二极管(TVS)工作原理、电路及作用解析-IC先生 (mrchip.cn)
二极管整流电路:
1.半波整流电路
半波整流电路见图1。其中B1是电源变压器,D1是整流二极管,R1是负载。B1次级是一个方向和大小随时间变化的正弦波电压,波形如图2(a)所示。0~π期间是这个电压的正半周,这时B1次级上端为正下端为负,二极管D1正向导通,电源电压加到负载R1上,负载R1中有电流通过;π~2π期间是这个电压的负半周,这时B1次级上端为负下端为正,二极管D1反向截止,没有电压加到负载R1上,负载R1中没有电流通过。在 2π~3π、3π~4π等后续周期中重复上述过程,这样电源负半周的波形被“削”掉,得到一个单一方向的电压,波形如图2(b)所示。由于这样得到的电压波形大小还是随时间变化,被称为脉动直流。
图1 半波整流电路图
图2 半波整流波形图
设B1次级电压为E,理想状态下负载R1两端的电压可用下面的公式求出:
整流二极管D1承受的反向峰值电压为:
由于半波整流电路只利用电源的正半周,电源的利用效率非常低,所以半波整流电路仅在高电压、小电流等少数情况下使用,一般电源电路中很少使用。
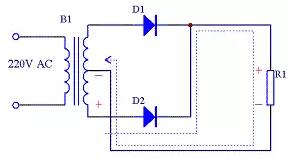
2.全波整流电路
由于半波整流电路的效率较低,于是人们很自然的想到将电源的负半周也利用起来,这样就有了全波整流电路。全波整流电路图见图3。相对半波整流电路,全波整流电路多用了一个整流二极管D2,变压器B1的次级也增加了一个中心抽头。这个电路实质上是将两个半波整流电路组合到一起。在0~π期间B1次级上端为正下端为负,D1正向导通,电源电压加到R1上,R1两端的电压上端为正下端为负,其波形如图4(b)所示,其电流流向如图5所示;在π~2π期间B1次级上端为负下端为正,D2正向导通,电源电压加到R1上,R1两端的电压还是上端为正下端为负,其波形如图4(c)所示,其电流流向如图6所示。在2π~3π、3π~4π等后续周期中重复上述过程,这样电源正负两个半周的电压经过D1、D2整流后分别加到R1两端,R1上得到的电压总是上正下负,其波形如图4(d)所示。
图3 全波整流电路图
图4 全波整流波形图
图5 全波整流电路原理分析1
图6 全波整流电路原理分析2
设B1次级电压为E,理想状态下负载R1两端的电压可用下面的公式求出:
整流二极管D1和D2承受的反向峰值电压为:
全波整流电路每个整流二极管上流过的电流只是负载电流的一半,比半波整流小一倍。
3.桥式整流电路
参考电路:
实物图片:
KBL406其中 KBL是型号 4是额定电流 06代表额定600v。
GBJ2510其中GBJ为型号,25代表额定电流 10代表额定1000v
由于全波整流电路需要特制的变压器,制作起来比较麻烦,于是出现了一种桥式整流电路。这种整流电路使用普通的变压器,但是比全波整流多用了两个整流二极管。由于四个整流二极管连接成电桥形式,所以称这种整流电路为桥式整流电路,如图7所示。
图7 桥式整流电路图
由图8可以看出在电源正半周时,B1次级上端为正,下端为负,整流二极管D4和D2导通,电流由变压器B1次级上端经过D4、R1、D2回到变压器B1次级下端;由图9可以看出在电源负半周时,B1次级下端为正,上端为负,整流二极管D1和D3导通,电流由变压器B1次级下端经过 D1、R1、D3回到变压器B1次级上端。R1两端的电压始终是上正下负,其波形与全波整流时一致。
图8 桥式整流原理原理分析1
图9 桥式整流原理原理分析2
设B1次级电压为E,理想状态下负载R1两端的电压可用下面的公式求出:
整流二极管D1和D3承受的反向峰值电压为:
桥式整流电路每个整流二极管上流过的电流是负载电流的一半,与全波整流相同。
通常情况下桥式整流电路都简化成图10的形式。
图10 桥式整流简化形成电路图
桥式整流电容滤波原理
电容滤波电路利用电容的充、放电作用,使输出电压趋于平滑。
当u2为正半周并且数值大于电容两端电压uC时,二极管D1和D3管导通,D2和D4管截止,电流一路流经负载电阻RL,另一路对电容C充电。当uC>u2,导致D1和D3管反向偏置而截止,电容通过负载电阻RL放电,uC按指数规律缓慢下降。
当u2为负半周幅值变化到恰好大于uC时,D2和D4因加正向电压变为导通状态,u2再次对C充电,uC上升到u2的峰值后又开始下降;下降到一定数值时D2和D4变为截止,C对RL放电,uC按指数规律下降;放电到一定数值时D1和D3变为导通,重复上述过程。
RL、C对充放电的影响
电容充电时间常数为rDC,因为二极管的rD很小,所以充电时间常数小,充电速度快;RLC为放电时间常数,因为RL较大,放电时间常数远大于充电时间常数,因此,滤波效果取决于放电时间常数。
电容C愈大,负载电阻RL愈大,滤波后输出电压愈平滑,并且其平均值愈大。
4.整流二极管选用
(1)选用整流二极管时,主要应考虑其最大整流电流、最大反向工作电流、截止频率及反向恢复时间等参数。
(2)普通串联稳压电源电路中使用的整流二极管,对截止频率的反向恢复时间要求不高,只要根据电路的要求选择最大整流电流和最大反向工作电流符合要求的整流二极管即可。例如,1N系列、2CZ系列、RLR系列等。
(3)开关稳压电源的整流电路及脉冲整流电路中使用的整流二极管,应选用工作频率较高、反向恢复时间较短的整流二极管(例如RU系列、EU系列、V系列、1SR系列等)或选择快恢复二极管。
5.关于二极管整流电路的常见问题
5.1什么是二极管整流电路?
二极管整流电路是电子设备中使用的关键电路之一。它们可用于开关模式电源和线性电源、RF信号解调、RF功率感测等等。
5.2整流电路中二极管的作用是什么?
二极管的特性是根据施加电压的方向,电流流动(正向)或电流不流动(反向)。这用于将交流(AC)电压转换为直流(DC)。
5.3二极管整流器的工作原理是什么?
整流器是一种通过使用一个或多个接触二极管将交流电(AC)转换为直流电(DC)的设备。二极管只允许一个方向的电流,二极管的这种独特特性使其可以通过将交流电转换为直流电源来充当整流器。
5.4二极管是整流器吗?
整流器是一种特殊类型的二极管,可将交流电(AC)转换为直流电(DC)。这是一个重要的过程,因为交流电能够周期性地反转方向,而直流电始终以单一方向流动,因此易于控制。
5.5二极管整流器的局限性是什么?
这种整流器很难找到次级绕组上的中心抽头。直流输出很小,因为使用每个二极管只利用了变压器次级电压的一半。当需要小电压整流时,不适合采用全波整流电路。
5.6二极管整流电路的目的是什么?
整流二极管的目的是在电源中用于将交流电(AC)转换为直流电(DC),这一过程称为整流。它们还用于需要大电流通过二极管的电路中的其他地方。
防电源反接
利用二极管单项导电性,常使用快恢复二极管,肖特基二极管。
1.以常用的5V/2A为例。
常用二极管串联在电路中,在电源反接时,二极管承担所有的电压,有效防止电源反接损坏后级设备。但是,二极管上压降较大,损耗较高。使用肖特基二极管可以减小损耗,但是仍对电路有较大影响,特别是在电源电压更低的情况下。
产生的问题1.会产生二极管压降,一般在0.7V以下; 2.二极管的正向导通电流不能过大,限制了负载电流不能太大。
2.反并二极管+保险丝
续流二极管
1.应用原理
续流二极管并联在线圈两端,用于消耗线圈中电流消失时产生的感应电动势,防止反向电压损坏电路中的其他元件,起到保护电路的作用。例如:在继电器或电感线圈断电时,其两端的电动势并不立即消失,此时残余电动势通过续流二极管释放,从而保护电路安全。
图3就是续流二极管。
其中电阻R 视情况决定是否需要。储能元件在VT 导通时,电压为上正下负,电流方向从上向下。当VT 关断时,储能元件中的电流突然中断,此时会产生感应电势,其方向是力图保持电流不变,即总想保持储能元件电流方向从上向下。这个感应电势与电源电源的供应商电压迭加后加在VT 两端,容易使VT 击穿,为此可以加上VD,这样就可以将储能元件产生的感应电势短路掉,从而达到保护VT 的目的。
2.续流二极管的选型
一般选择快速恢复二极管或者肖特基二极管,如FR254、FR255、FR256、FR257、1N5204、1N5205、
1N5206、1N5207、1N5208、1N5404、1N5405、5406、5407、5408 等。
3.续流二极管的注意事项
续流二极管通常应用在开关电源、继电器电路、可控硅电路、IGBTIGBT 的供应商等电路中,
其应用非常广泛。在使用时应注意一下几点:
(1) 续流二极管是防止直流线圈断电时,产生自感电势形成的高电压对相关元器件造成损害的有
效手段!
(2) 续流二极管的极性不能接错,否则将造成短路事故;
(3) 续流二极管对直流电压总是反接的,即二极管的负极接直流电的正极端;
(4) 续流二极管是工作在正向导通状态,并非击穿状态或高速开关状态。
钳位保护
对于钳位电路,至少需要三个元件——二极管、电容和电阻。有时还需要一个独立的直流电源来引起额外的转变。钳位电路的要点是:
1、波形的形状相同,但其电平向上或向下移动
2、由于钳位电路,波形的峰峰值或均方根值不会发生变化。因此,输入波形和输出波形将具有相同的峰峰值,即 2Vmax。还必须注意的是,交流电压表中的输入电压和钳位输出电压的读数相同
3、电阻 R 和电容 C 的值会影响波形
4、电阻 R 和电容 C 的值应由电路的时间常数方程 t = RC 确定。这些值必须足够大,以确保电容C 两端的电压在二极管不导通的时间间隔内不会发生显着变化。在一个好的钳位电路中,电路时间常数 t = RC 应该至少是输入信号电压时间周期的十倍。
二极管钳位电路原理
1、正钳位电路
在下图中,你可以看到正钳位电路的电路布置。该电路由电压源Vi、电容C、二极管和负载电阻组成。
二极管与负载电阻RL并联组合。由于这种安排,正钳位电路将允许在二极管处于反向偏置状态时通过输入波形,并在二极管处于正向偏置状态时停止输入信号流动。
正输入半周期:当输入波形的负周期通过二极管时,它处于正向偏置状态,允许电流流过负载电阻。
由于这个电流电容被充电到输入波形的峰值V m 。电容的充电极性与二极管两端的信号极性相反。在达到极值点 -V m后,电容器保持存储的电荷,直到该点二极管处于正向偏置状态。
负输入半周期:当输入信号的正半部分通过二极管时,它处于反向偏置状态,没有电流流过二极管。因此,二极管输入信号上的零电流流向负载电阻。
在正循环期间,二极管不处于工作状态,因此电容释放其存储的电荷。因此,负载电阻两端的电压将由于输入源 V m提供的电荷存储和电压而增加电容器 V m两端的电压。(V o = V m + V m = 2V m )。这两个电压的极性也相似。结果,信号向上移动,发生在正钳位电路中。
稳压二极管
稳压二极管(又叫齐纳二极管,英文名称Zener diode)是一种硅材料制成的面接触型晶体二极管,简称稳压管。利用PN结反向击穿状态,其电流可在很大范围内变化而电压基本不变的现象。
二、符号

三、工作原理
稳压二极管的特点就是击穿后,其两端的电压基本保持不变。这样,当把稳压管接入电路以后,若由于电源电压发生波动,或其它原因造成电路中各点电压变动时,负载两端的电压将基本保持不变。
状态①: 正向偏置状态。此状态下,稳压二极管的特性表现为普通二极管的特性,即:随着正向偏压的提高,正向电流变化很大、很陡!但由于Vf(0.3V~0.7V左右)很小,此正向偏置状态基本无使用价值。需要注意的是,不同的稳压二极管的正向压降是不同的。
状态②: 反向偏置状态。此状态下,当反向电压没达到Vz之前,稳压二极管基本没导通;而当反向偏压接近Vz值时,稳压二极管开始导通,产生Ir电流。随着反向偏压的提高,反向电流Ir也会激烈变化得很大、很陡!尽管电流在很大的范围内变化,而二极管两端的电压却基本上稳定在击穿电压附近,从而实现了二极管的稳压功能。图中的黄色区域(击穿区)就是稳压二极管的正常工作状态,通常此区域对应的Vr区间范围很小,此电压就是稳压二极管的工作点、稳压值。
四、主要参数
稳定电压(Uz):
指稳压管通过额定电流时两端产生的稳定电压值。该值随工作电流和温度的不同而略有改变。由于制造工艺的差别,同一型号稳压管的稳压值也不完全一致。例如,稳压二极管BZV55-C16(立创商城的商品编号:C)的Vz(min)为15.3V, Vz(max)则为17.1V。
稳定电流(Iz):
工作电压等于稳定电压时的反向电流。元器件工作时,通过的反向基础电流,稳压二极管的工作电流偏小,稳压效果就会变差,而电流过大,又会导致管体由于温度过高而损坏。低于此值时,稳压管虽并非不能稳压,但稳压效果会变差;高于此值时,只要不超过额定功率损耗,也是允许的,而且稳压性能会好一些,但要多消耗电能。
动态电阻(Rz):
稳压二极管工作时,我们希望在电流变化范围很大时,所稳定的电压变化尽量小一些,为了准确反映这一性能,规定把电压变化量与电流变化量的比值,叫做稳压二极管的动态电阻。该比值随工作电流的不同而改变,一般是工作电流愈大,动态电阻则愈小。可见稳压二极管的动态电阻越小,说明稳压管的性能越好。
耗散功率(Pz):
反向电流通过稳压二极管的PN结时,要产生一定的功率损耗,PN结的温度也将升高。根据允许的PN结工作温度决定出管子的耗散功率。通常小功率管约为几百毫瓦至几瓦。最大耗散功率Pzm:是稳压管的最大功率损耗取决于PN结的面积和散热等条件。反向工作时,PN结的功率损耗为:Pz=Vz*Iz,由Pzm和Vz可以决定Izmax。
温度系数(Ctv):
温度的变化将使VZ改变,在稳压管中,当|VZ|>7V时,Vz具有正温度系数,反向击穿是雪崩击穿。 当|Vz|<4V时,VZ具有负温度系数,反向击穿是齐纳击穿。当4V<|Vz|<7V时,稳压管可以获得接近零的温度系数。这样的稳压二极管可以作为标准稳压管使用。例如2CW58稳压管的Ctv是+0.07%/°C,即温度每升高1°C,其稳压值将升高0.07%。对电源要求比较高的场合,可以用两个温度系数相反的稳压管串联起来作为补偿。由于相互补偿,温度系数大大减小,可使温度系数达到0.0005%/℃。
反向漏电流(IR):
指稳压二极管在规定的反向电压下产生的漏电流。例如2CW58稳压管的VR=1V时,IR=0.1uA;在VR=6V时,IR=10uA。
五、和二极管区别
二极管一般在正向电压下工作,稳压管则在反向击穿状态下工作,二者用法不同;
普通二极管的反向击穿电压一般在40V以上,高的可达几百伏至上千伏,而且在伏安特性曲线反向击穿的一段不陡,即反向击穿电压的范围较大,动态电阻也比较大。
对于稳压管,当反向电压超过其工作电压Vz(亦称齐纳电压或稳定电压)时,反向电流将突然增大,而器件两端的电压基本保持恒定。对应的反向伏安特性曲线非常陡,动态电阻很小。稳压管可用作稳压器、电压基准、过压保护、电平转换器等。
六、应用电路
6.1 简易稳压电路
此电路利用齐纳二极管的稳压特性,实现稳压,但输出电流很小。
此时VREF=VD5的电压。
6.3 LED指示灯的ESD保护电路
此电路利用齐纳二极管的反向偏置特性,防止LED受静电过高而损坏。
6.4 过压保护电路
如果输出电压过高,此电路中的齐纳二极管会导通,进而触发可控硅SCR对输入电压端进行限制。
6.5 信号限幅电路
如果输入信号过大,容易损坏运放OP,通过放置齐纳二极管可对Input信号的幅度大小进行限制。注意这种情况下,要选用反向漏电流很小的D1;而信号频率过高的话,还要考虑D1的等效电容要足够小。

七、选取原则
要求导通电压低时选锗管;
要求反向电流小时选硅管;
要求导通电流大时选面结合型;
要求工作频率高时选点接触型;
要求反向击穿电压高时选硅管;
要求耐高温时选硅管。
稳压二极管的稳压值离散性很大,即使同一厂家同一型号产品,其稳定电压值也不完全一样,这一点在选用时应加以注意。对要求较高的电路,选用前应对稳压值进行检测。
对于过电压保护的稳压二极管,其稳定电压的选定要依据保护电压的大小选用,其稳定电压值不能选的过大或过小,否则起不到电压保护的作用。
在选用稳压二极管时,除了要注意稳定电压、最大工作电流等参数外,还要注意选用动态电阻较小的稳压二极管,因为动态电阻越小,稳压性能越好。
使用稳压管时应注意,二极管的反向电流不能无限增大,否则会导致二极管的过热损坏。因此,稳压管在电路中一般需要串联限流电阻。
选用稳压二极管时,要根据具体电子电路来考虑,简单的并联稳压电源,输出电压就是稳压二极管的稳定电压。
免责声明:本站所有文章内容,图片,视频等均是来源于用户投稿和互联网及文摘转载整编而成,不代表本站观点,不承担相关法律责任。其著作权各归其原作者或其出版社所有。如发现本站有涉嫌抄袭侵权/违法违规的内容,侵犯到您的权益,请在线联系站长,一经查实,本站将立刻删除。 本文来自网络,若有侵权,请联系删除,如若转载,请注明出处:https://haidsoft.com/142794.html





































