大家好,欢迎来到IT知识分享网。
目录:
4.2.5相差动高频保护
一、相差动高频保护的基本原理
1、基本工作原理
2、相差动高频保护的动作原理
3、保护装置的构成
二、高频相差动保护的相位特性和相继动作区
1、内部故障时可能出现的最小间隙角
2、外部故障时可能出现的最大间隙角
3、闭锁角的确定
4、保护的相继动作区
4.2.6输电线路保护回顾
第5章 自动重合闸
一、输电线路自动重合闸装置的作用、分类
1、自动重合闸装置在电力系统中的应用
2、对重合闸的基本要求
3、自动重合闸装置的分类
4、自动重合闸装置的不利影响
二、单侧电源的三相一次自动重合闸装置
1、三相一次ARC的构成
2、动作情况分析
三、双侧电源送电线路重合闸的方式及选择原则
1、应考虑的两个问题
2、两侧电源线路上的主要合闸方式
四、重合闸动作时限选择原则
1、单侧电源线路的三相重合闸
2、两侧电源线路的三相重合闸
五、重合闸与继电保护的配合
1、重合闸前加速保护(简称“前加速”)
2、重合闸后加速保护(简称“后加速”)
六、单相自动重合闸
1、工作原理
2、特点
3、故障相选择元件
4、动作时限的选择
5、单相重合闸过程对保护的影响
6、对单相重合闸的评价
七、综合重合闸简介
一、相差动高频保护的基本原理
1、基本工作原理
它是利用高频电流信号,比较输电线路两侧电流相位,从而决定其是否动作的一种保护。
规定电流从母线向线路为正方向
在理想情况下,两端电流相位相同,保护装置不应动作。
当保护范围外部故障时,两端电流相位相差180度,保护装置不应动作。
—————-
2、相差动高频保护的动作原理
理想:
区内故障:Φ=0度,停信间隙γ=180度
区外故障:Φ=180度,停信间隙γ=0度
可见
实际:
区内故障:Φ>0度,停信间隙γ<180度
区外故障:Φ<180度,停信间隙γ>0度
相差动高频保护实质上旱出外部故障是可能出现最大间隙角以及内部故障是可能出现的最小间隙角,由此确定一个闭锁角。
—————-
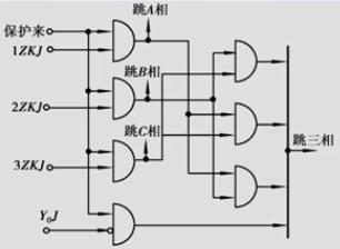
3、保护装置的构成
(1)起动元件:故障检测元件(区分正常运行和故障)
(2)操作元件:将输电线上的三相工频电流综合为单一工频电流(只用一个通道)。并对GFX的高频电流进行调制。
(3)比相元件:根据线路两侧电流的相位判断内外故障
————————————————————–
二、高频相差动保护的相位特性和相继动作区
1、内部故障时可能出现的最小间隙角
1)对称短路时引起间隙角减小的因素
由于两侧电势相位差及阻抗角不同引起的误差
系统稳定性要求:两侧电势相位差不大于70度
系统发生短路时阻抗角为:60度~90度
此时

保护装置误差

信号传输的延迟角度

最不利的情况:
M侧收到N侧高频信号的相位差
N侧收到M侧高频信号的相位差

——–
(2)内部故障时的最小间隙角
—————-
2)不对称短路时引起间隙角减小的因素
此时一负序电流为主导,而两侧的负序电流是由同一负序电压产生
由于两侧阻抗角不同引起的误差

两侧电流互感器的误差

保护装置的误差

信号传输的延迟角度

最不利的情况:
M侧收到N侧高频信号的相位差

N侧收到M侧高频信号的相位差
——–
(2)内部故障时的最小间隙角
可见,此时间隙角相对于对称短时大多了。
——————————–
2、外部故障时可能出现的最大间隙角
——————————–
3、闭锁角的确定
——————————–
4、保护的相继动作区
保护装置在一端的保护先动作以后,另一端的保护才能再动作跳闸的情况,称为“相继动作”。
主要影响因素:故障类型、两侧电源电动势间相角差以及线路长度。
对相差高频保护人评价
优点:能反映各种短路,不反映系统震荡,不反映系统非全相运行,不受电压回路断线影响
缺点:对于重负荷线路不利于保护动作,不能作为相邻线路的后备保护,输电线过长时,保护可能出现相继动作
4.2.6输电线路保护回顾
输电线路:第二章、第三章讲述了反映单侧电气量的阶段式保护,第四章讲述了放映双侧电气量的纵联式保护。段不保护本线路全长、段保护本线路全长、段保护本线路全长和下一条线路全长。三段式电流保护不能保证全线速动,纵联差保护可保证全线速动。内部故障不拒动,外部故障不误动。电流保护受系统影响较大,主要适用于35KV以下。零序保护可以适用于更高电压等级,在110KV可作为主保护,再高就不适用了。
第5章 自动重合闸
个人理解:电流故障(三相+零序)时开启自动重合闸,电压类故障、非电量类故障、频率故障、备自投最好闭锁自动重合闸。
一、输电线路自动重合闸装置的作用、分类
1、自动重合闸装置在电力系统中的应用
(1)输电线路特点:
易发生瞬时性故障
瞬时性故障(也称为自消性故障)由继电保护动作断开电源后,故障点的电弧自行熄灭、绝缘介质重新恢复强度,故障自行消除,此时,若重新合上线路断路器,就能恢复正常供电。
永久性故障在故障线路电源被断开之后,故障点的绝缘强度不能恢复,故障依然存在,即使重新合上断路器,又要被继电保护故障装置再次断开。
(2)自动重合闸概念
把因故障而跳开的断路器自动重新投入的一种装置称为自动重合闸,简称为ARC(旧国标ZCH)。
ARC不能判断故障的性质:瞬时性故障,重合成功;永久性故障,重合不成功。
(3)自动重合闸的作用
提高供电可靠性
输电线路80%~90%属于瞬时性故障,一次重合成功率60%~70%,二次重合成功率80%~90%。
提高系统并列运行的稳定性
联络线跳开->功率不平衡->功角δ↑->失步
P(Q)不足->↓(U↑),P(Q)过剩->↑(U↓)
对误跳闸起纠正作用
误跳闸:继保误动、QF操作机构不良(机构偷跳)、人为误碰
加快事故后电力系统电压恢复速度。电机未完全制动,自启动电流小一次重合循环:几秒二次重合循环:几十秒
节省建设输电线路投资。缓建或不建第二回线
弥补输电线路耐雷水平降低的影响。线路耐雷水平较低。10KV:不装避雷线;35kV:进线段1km左右装
——————————–
2、对重合闸的基本要求
(1)ARC动作应迅速
(2)手动跳闸时不应重合
(3)手动跳闸于故障线路时,继电保护动作使断路器跳闸后,不应重合
(4)宜采用控制开关位置与断路器位置不对应启动
(5)动作次数符合规定
(6)ARC动作后,应自动复归,准备好再次动作
(7)ARC应能在重合闸动作后或重合闸动作前,加速继电保护的动作
(8)ARC可自动闭锁
——————————–
3、自动重合闸装置的分类
(1)按作于断路的方式,可分为三相ARC、单相ARC和综合ARC三种
(2)按运用的线路结构可分为单侧电源线路ARC、双侧电源线路ARC
双侧电源线路ARC可分为快速ARC、非同期ARC、检定无压和检定同期的ARC
——————————–
4、自动重合闸装置的不利影响
使电力系统又一次受到故障的冲击,使断路器的工作条件恶化。
二、单侧电源的三相一次自动重合闸装置
所谓三相一次重合闸方式是指不论在输电线路上发生相间短路还是单接地短路,继电保护装置动作将线路三相断路器一齐断开,然后重合闸装置动作,将三相断路器重新合上的重合闸方式。
对单侧电源线路三相自动重合闸的基本要求
安装地点:线路电源侧
适用范围:35kV及以下线(三相一次重合闸)
线路特点:只有一个电源供电(不存在非同期重合问题)
1、三相一次ARC的构成
重合闸起动回路是用以起动重合闸时间元件的回路,一般按控制开关与断路器位置不对应原理起动;
重合闸时间元件是用来保证断路器断开之后,故障点有足够的去游离时间和断路器操作机构复归所需的时间,以使重合闸成功;
一次合闸脉冲元件用以保证重合闸装置只重合一次,通常利用电容放电来获得重合闸脉冲;
执行元件用来将衙合闸动作信号送至合闸回路和信号回路,使断路器重合及发出重合闸动作信号。

——————————–
2、动作情况分析
(1)正常工作状态
DL1触点接通->三极管T1截止->电容器C3充满至电源电压(1点电位为E,2点电位为0V,C3充电时间大约在15S)->稳压管W2(其击穿电压选为10V)截止->T2导通->T3截止,

(2)断路器由保护动作或其他原因误动作而跳闸
(3)线路上存在永久故障时
(4)手动分合闸
三、双侧电源送电线路重合闸的方式及选择原则
1、应考虑的两个问题
(1)时间的配合:考虑两侧保护可能以不同的延时跳闸,此时须保证两侧均跳闸后,故障点有足够的去游离时间。
(2)同期问题:重合时两侧系统是否同步的问题以及是否允许非同步合闸的问题。
——————————–
2、两侧电源线路上的主要合闸方式
(1)快速自动重合方式:当线路上发生故障时,继电保护快速动作而后进行自动重合。其特点是快速,须具备下列条件:
线路两侧均装有全线瞬时保护
有快速动作的DL,如快速空气断路器
冲击电流<允许值
(2)非同期重合闸方式:就是不考虑系统是否同步而进行自动重合闸的方式(期望系统自动拉入同步,须校验冲击电流,防止保护误动)
(3)检查双回线另一回线电流的重合闸方式
在没有其他旁路联系的双回线上,可采用检查另一回路有电流的重合闸方式。因为当另一回线路上有电流,即表示线路两侧电源仍有联系且已知该工况是同步的,因此可以进行重合闸:
采用这种重合闸方式的优点是因为电流检定比同步检定简单。

(4)自动解列重合闸方式
双侧电源单回线上
d点短路,保护1动->1DL跳闸,小电源侧保护动->跳3DL,1DL处ZCH检无压后重合,若成功,恢复对非重要负荷供电,在解列点实行同步并列->恢复正常供电。

(5)具有同步检定和无压检定的重合闸:
在两侧的断路器上,除装有单侧电源线路的ZCH处,在一侧(M侧)装有低电压继电器,用以检查线路上有无电压(检无压侧——在另一侧(N侧)装有同步检定继电器,进行同步检定(检同步侧)。
1)工作过程:

2)几点说明:
通常两侧都装设低电压继电器和同步检定继电器,利用连结片定期切换其工作方式,以使两侧工作条件接近相同;
在检无压侧也同时投入同步检定继电器,使两者的触点并联工作。
注:在使用同步检定的一侧,绝对不允许同时投入无压检定继电器。
四、重合闸动作时限选择原则
1、单侧电源线路的三相重合闸
原则上越短越好,但应力争重合成功,保证:
(1)故障点电弧熄灭、绝缘恢复;
(2)断路器触头周围绝缘强度的恢复及消弧室重新充满油,准备好重合于永久性故障时能再次跳闸,否则可能发生DL爆炸,如果采用保护装置起动方式,还应加上DL跳闸时间。

根据运行经验,采用1S左右。
——————————–
2、两侧电源线路的三相重合闸
除上述要求外,还须考虑时间配合,按最不利情况考虑:本侧先跳,对侧后跳。
动作时限配合示意图:
五、重合闸与继电保护的配合
1、重合闸前加速保护(简称“前加速”)
含义:当线路发生故障时,保护首先无选择性的瞬时切除故障,若重合不成功,第二次保护动作是按有选择性方式切除故障。

L1、L2、L3上任一点故障,
保护1速断动,跳1DL->ZCH重合,若成功,恢复正常供电;若不成功,按选择性动作。
前加速保护优点:
(1)能够快速地切除瞬时性故障;
(2)可能使瞬进性故障来不及发展成永久性故障,从而提高重合闸的成功率;
(3)能保证发电厂和重要变电所的母线电压在0.6~0.7倍额定电压以上。从而保证厂用电和重要用户的电能质量;
(4)使用设备少,只需装设一套重合闸装置,简单、经济
前加速保护缺点:
(1)装有ZCH线路的断路器工作条件恶劣,动作次数较多;
(2)重合于永久性故障上时,故障切除的时间可能较长;
(3)如果重合闸装置或断路器1拒绝合闸,则将扩大停电范围。
适用于35KV及以下系统。
——————————–
2、重合闸后加速保护(简称“后加速”)
每条线路上均装有选择性的保护和ZCH;
第一次故障时,保护按有选择性的方式动作跳闸,若是永久性故障,重合后则加速保护动作,切除故障。

后加速保护的特点:
(1)第一次是有选择性的切除故障,不会扩大停电范围;
(2)保证了永久性故障能瞬时切除,并仍然是有选择性的;
(3)使用中不受网络结构和负荷条件的限制。
后加速的缺点:
(1)每个断路器上都需要装设一套重合闸、与前加速比较为复杂;
(2)第一次切除故障可能带有延时。
应用于35KV以上的高压网络中。
六、单相自动重合闸
220KV~500KV系统中,由于线间距离大,经验表明,绝大多数故障为单相接地故障d(1)。此时,若只跳开故障相,其余两相仍继续运行,可提高供电的可靠性和系统并联运行的稳定性,还可减少相间故障的发生。
1、工作原理
d(1)->保护动,跳故障相->单相重合
成功,恢复三相供电。
不成功,允许非全相运行->再次跳故障相不重合;不允许非全相运行->再次跳三相不重合。
若是相间短路,跳三相不重合。
——————————–
2、特点
(1)需装设故障判别元件和故障选相元件;
(2)应考虑潜供电流的影响;
(3)应考虑非全相运行状态的影响。
——————————–
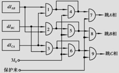
3、故障相选择元件
(1)基本要求
保证选择性(能判断是否为区内故障、能判断故障相别)
保证灵敏性(在故障线路末段发生单相接地短路时,选相元件有足够的灵敏度)
选相元件拒动时,应有延时的跳开三相线路
(2)常见原理
电流选相元件
在每相上装设一个过电流继电器,其起动电流按照大于最大负荷电流的原则进行整定,以保证动作的选择性
适于装设在电源端、且短路电流比较大的情况。若短路电流不大,那么其灵敏性不足。
两相电流值增大,一相电流值保持不变,则为相间短路故障;一相电流值增大,单相接地故障,该相就是故障相。
低电压选相元件
用三个低电压继电器分别接于三相的相电压,低电压继电器是根据故障相电压降低的原理而动作;
起动电压应小于正常运行以及非全相运行时可能出现的最低电压;
一般适于装设在小电源侧或单侧电源线路的受电侧。
阻抗选相元件
用三个低阻抗继电器分别接于三个相电压和经过零序补偿的相电流上,以保证继电器的测量阻抗与短路点到保护安装地点之间的正序阻抗成正比;
复杂的接线中获得了较广泛的应用
相电流差突变量选相元件
利用每两相的相电流之差构成三个选相元件,它们是利用故障时电气发生突变的原理构成的;
三个反应电流突变量的继电器所反应的电流分别为:
用二相电流差突变量继电器组成的选相元件方框图
序分量选相元件(微机保护)
若无负序电流、负序电压,则表明三相对称短路;若有负序电流、负序电压,有零序电流则为两相短路。
——————————–
4、动作时限的选择
(1)不论是单侧电源还是双侧电源,均应考虑两侧选相元件与继电保护以不同时限切除故障的可能性;
(2)潜供电流对灭弧所产生的影响
潜供电流:当故障相线路自两侧切除后,由于非故障相与断开相之间存在有静电(通过电容)和电磁(通过电感)的联系,在故障点的弧光通道中仍有一定数值的电流,此电流即称为潜供电流
潜供电流的大小与线路电压和参数有关
潜供电流使熄弧时间长。单相重合闸动作时间一般应比三相重合闸的动作时间长。
——————————–
5、单相重合闸过程对保护的影响
(1)负序电流的影响:引起发电机的附加发热及机组振动
(2)零序电流的影响:产生干扰
(3)非全相运行状态的影响:
保护性能变坏,甚至不能正确动作。对会误动的保护采取闭锁措施等
M端子:接非全相运行状态时会误动作的保护;
N端子:接非全相运行状态时不会误动作的保护;
Q端子:接在线路上任何类型的故障都跳三相的保护,并进行三相重合闸一次;
R端子:接要求直跳三相而不进行重合的保护。
——————————–
6、对单相重合闸的评价
优点:提高了供电可靠性;提高了系统并联运行的暂态稳定性
缺点:需要按相操作的断路器;接线复杂;整定与调试工作复杂。
七、综合重合闸简介
单相重合闸和三相重合闸综合在一起
d(1)->跳单相->合单相(单重方式)
相间d->跳三相->合三相(三重方式)
四种运行方式:单重、三重、综合、直跳。
人生本就是个过程,冷暖自知,过得好与坏 ,是否有遗憾,都是自己的事情。觉得不错,动动发财的小手点个赞哦!
免责声明:本站所有文章内容,图片,视频等均是来源于用户投稿和互联网及文摘转载整编而成,不代表本站观点,不承担相关法律责任。其著作权各归其原作者或其出版社所有。如发现本站有涉嫌抄袭侵权/违法违规的内容,侵犯到您的权益,请在线联系站长,一经查实,本站将立刻删除。
本文来自网络,若有侵权,请联系删除,如若转载,请注明出处:https://haidsoft.com/153567.html