大家好,欢迎来到IT知识分享网。
内容包括抗扰度等级、防护等级的内容,CAD图纸绘制的相关要求(比如阶段标记),误差与精度等级。紫色文字是超链接,点击自动跳转至相关博文。持续更新,原创不易!
目录:
一、抗扰度等级
1、抗扰度实验内容
2、抗扰度标准
二、防护等级
1、代码结构和意义
2、IP代码元素
三、CAD图纸
1、阶段标记
四、误差与精度等级
1、误差
2、精度等级
3、示例
五、查询标准的网站
1、国家标准全文公开系统
2、最全的标准规范资料分享网
3、UPBZ免费标准下载网
4、茶豆网
5、国标久久
6、国家标准网
7、标准下载网
8、稻壳阅读器
9、工标网
10、标准查询与下载
11、学兔兔
12、WDFXW文档分享网
一、抗扰度等级
1、抗扰度实验内容
静电放电、射频辐射电磁场、脉冲群、浪涌、射频场引起的传导干扰和电压跌落等6项。
2、抗扰度标准
1)IEC61000-4-2(GB/T17626.2)静电放电抗干扰试验
主要描述在低湿度情况下,通过摩擦等因素,使人体积累了静电。当带有静电的人与设备接触时,就可能产生静电放电。
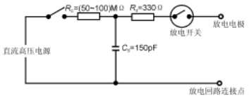
图1.2.1 静电放电发生器
图1.2.2 静电放电电流波形
Im表示电流峰值,上升时间tr = (0.7~1)nS。放电线路中的储能电容CS代表人体电容,现公认150pF比较合适。放电电阻Rd为330Ω,用以代表手握钥匙或其他金属工具的人体电阻。现已证明,用这种放电状态来体现人体放电的模型是足够严酷的。
—————————–
2)IEC61000-4-3(GB/T17626.3)射频辐射电磁场的抗扰度试验
射频辐射电磁场对设备的干扰往往是由设备操作、维修和安全检查人员在使用移动电话时所产生的,其他如无线电台、电视发射台、移动无线电发射机和各种工业电磁辐射源(以上属有意发射),以及电焊机、晶闸管整流器、荧光灯工作时产生的寄生辐射(以上属无意发射),也都会产生射频辐射干扰。
其中:1级为低辐射环境,如离电台、电视台1km以上,附近只有小功率移动电话在使用。2级为中等辐射环境,如在不近于1m处使用小功率移动电话,为典型的商业环境。3级为较严酷的辐射环境,如在1m左右的地方使用移动电话,或附近有大功率发射机在工作,为典型的工业环境。
—————————–
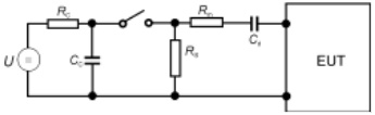
3)IEC61000-4-4(GB/T17626.4)电快速瞬变脉冲群的抗扰度试验
图1.2.3 快速瞬变脉冲群发生器
注:U高压电源,RS波形形成电阻,RC充电电阻,Rm阻抗匹配电阻,CC贮能电容,Cd隔直电容
—————————–
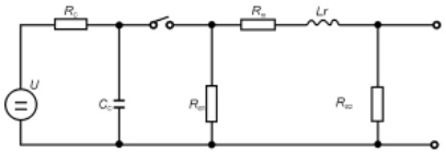
4)IEC61000-4-5(GB/T17626.5)浪涌的抗扰度试验
浪涌起因:雷击、切换瞬变。
分别模拟在电源线上和通信线路上的浪涌试验。由于线路的阻抗不一样,浪涌在这两种线路上的波形也不一样,要分别模拟。
图1.2.4 综合波发生器简图
注:U高压电源,R脉冲持续期形成电阻,RC充电电阻,Rm阻抗匹配电阻,CC储能电容,Lr上升时间形成电感。
图1.2.5 综合试验波
—————————–
5)IEC61000-4-6(GB/T17626.6)由射频场感应所引起的传导骚扰
模拟试验的频率范围为150kHz~80MHz。当试品尺寸较小时,可将上限频率扩展到230MHz。 此外,为提高试验的难度,试验中要用1kHz的正弦波进行幅度调制,调幅深度为80%。
图1.2.6 单相系统试验线路
图1.2.7 传导骚扰试验仪器
—————————–
6)IEC61000-4-11(GB/T17626.11)电压跌落、短时中断和电压渐变的抗扰度试验
电压瞬时跌落、短时中断是由电网、变电设施的故障或负荷突然出现大的变化所引起的。在某些情况下会出现两次或更多次连续的跌落或中断。电压变化是由连接到电网的负荷连续变化引起的。
这些现象本质上是随机的,其特征表现为偏离额定电压并持续一段时间。电压瞬时跌落和短时中断不总是突发的,因为与供电网络相连的旋转电机和保护元件有一定的反作用时间。如果大的电源网络断开(一个工厂的局部或一个地区中的较大范围),电压将由于有很多旋转电机连接到电网上使之逐步降低。因为这些旋转电机短期内将作为发电机运行,并向电网输送电力,这就产生了电压渐变。
表1.2.6 电压跌落与短时中断的试验等级
来源:常用的抗扰度试验标准。
二、防护等级
1、代码结构和意义
2、IP代码元素
三、CAD图纸
1、阶段标记
F(M) 方案,C 初样,S 正样, D 定型(A 小批量、B 大批量)。
四、误差与精度等级
相关标准GB/T 13283-08 《工业过程测量和控制用检测仪表和显示仪表精确度等级》
1、误差
误差的表示方法分为:绝对误差、相对误差、引用误差。
绝对误差 = | 测量值 – 真实值 | (即测量值与真实值之差的绝对值),例如:≤±0.01
相对误差 = | 测量值 – 真实值 |/真实值 (即绝对误差所占真实值的百分比),例如:≤2%
绝对误差就是和真实值的差别,相对误差=绝对误差÷真实值,
比如某个东西100米,测得是102米,绝对误差是2米,相对误差是2%。
引用误差 = (绝对误差的最大值/仪表量程)*100%,例如:2%F.S.
2、精度等级
1)在正常的使用条件下,仪表测量结果的准确程度叫仪表的准确度。
通常用准确度等级来表示仪表的准确程度,准确度等级就是最大引用误差去掉正、负号及百分号。
2)我国工业仪表等级分为0.1、0.2、0.5、1.0、1.5、2.5、5.0七个等级,并标志在仪表刻度标尺或铭牌上,仪表准确度习惯上称为精度,准确度等级习惯上称为精度等级。
仪表精度 = (绝对误差的最大值/仪表量程)*100%,以上计算式取绝对值去掉%即为精度等级。
3)电力方面的解释可搜索我的百度网盘“DLT 478-2013 继电保护和安全自动装置通用技术条件之4.3 准确度和变差”。
3、示例
1)已知电压表量程3V,精度等级为0.5,求仪器误差?
0.5级就是指总量程的0.5%,所以误差是3*0.005 = 0.015V,即该表的示值极限误差为±0.015V。
2)电压表量程为1.5V,精度等级为0.5,仪器误差是0.008,则读数时应保留到小数点后几位?
电压表精度等级为0.5即0.5%,满档量程1.5V,误差为1.5V*0.5% = 0.75%V = 0.0075V,保留到小数后3位。
3)一台精度等级为0.5级,量程600~12000°C的温度传感器,其最大允许的绝对误差是多少?
因仪表精度等级以最大引用误差为根据确定,则:
五、查询标准的网站
9、10、11、12为收费下载,2、4有部分ISO标准可供下载。
1、国家标准全文公开系统
网址:https://openstd.samr.gov.cn/bzgk/gb/index
推荐指数:★★★☆☆
推荐理由:国家方面发布权威的标准信息,可以了解GB标准最新状态,部分文档支持在线阅读和下载。
缺点:只能查找GB标准,对于ISO和其它标准暂时不能查询。
2、最全的标准规范资料分享网
网址:https://www.biaozhun.org/
本处以下载“国标GB/T 31465”为例说明。
1)搜索“31465”
2)找到下载页
推荐指数:★★★★☆
推荐理由:可以免费下载
缺点:需要注册、登录,每天非会员只能下载两篇
3、UPBZ免费标准下载网
网址:https://www.upbz.net/,本处以下载“国标GB/T 31465”为例说明。
推荐指数:★★★★★
推荐理由:主打一个免费,而且清晰,清晰度如下图所示。
缺点:不能查找国外标准
4、茶豆网
网址:http://www.chadoc.com/
推荐指数:★★★★☆
推荐理由:可以免费下载 ,不仅仅可以下载标准
缺点:标准不是高清版,清晰度如下图所示。内容不是很全。
5、国标久久
网址:http://www.gb99.cn/
推荐指数:★★★★☆
推荐理由:可以免费下载 ,操作上步骤会多一些
缺点:下载按钮比较隐晦,需要熟悉一下,内容不是很全
6、国家标准网
网址:http://www.biaozhun8.cn/
推荐指数:★★★★☆
推荐理由:可以免费下载
缺点:标准库不齐全,有些内容搜索不到
7、标准下载网
网址:https://www.bzxz.net/gb/
推荐指数:★★★★☆
推荐理由:可以免费下载
缺点:不能查找国外标准
8、稻壳阅读器
推荐指数:★★★☆☆
推荐理由:可以免费下载,不仅仅局限于标准
缺点:打印PDF格式不清晰,如果下载XDF格式,只能用稻壳阅读器阅读,否则需要开通VIP
9、工标网
网址:http://www.csres.com/
推荐指数:★★★☆☆
推荐理由:标准简介详细,并且附带与搜索相关的标准目录,这个对于深究而不知道方向的人员来说,很有用。
缺点:需要购买,也不支持国外标准
10、标准查询与下载
网址:https://www.antpedia.com/standard/
推荐指数:★★★★☆
推荐理由:标准齐全,可以搜索ISO标准,同时查找标准还提供相似标准、谁引用标准等功能。
缺点:收费
11、学兔兔
网址:http://www.bzfxw.com/
推荐指数:★★☆☆☆
推荐理由:可以下载
缺点:收费
12、WDFXW文档分享网
网址:https://www.wdfxw.net/
推荐指数:★★☆☆☆
推荐理由:可以下载,不限于标准
缺点:收费
本节内容引自:查国家标准的网站有哪几个?做了相应的修改。
言慢者贵,性柔者富,德原者旺。觉得不错,动动发财的小手点个赞哦!
免责声明:本站所有文章内容,图片,视频等均是来源于用户投稿和互联网及文摘转载整编而成,不代表本站观点,不承担相关法律责任。其著作权各归其原作者或其出版社所有。如发现本站有涉嫌抄袭侵权/违法违规的内容,侵犯到您的权益,请在线联系站长,一经查实,本站将立刻删除。 本文来自网络,若有侵权,请联系删除,如若转载,请注明出处:https://haidsoft.com/107367.html








































