大家好,欢迎来到IT知识分享网。
接前一篇文章:WM8978 —— 带扬声器驱动程序的立体声编解码器(2)
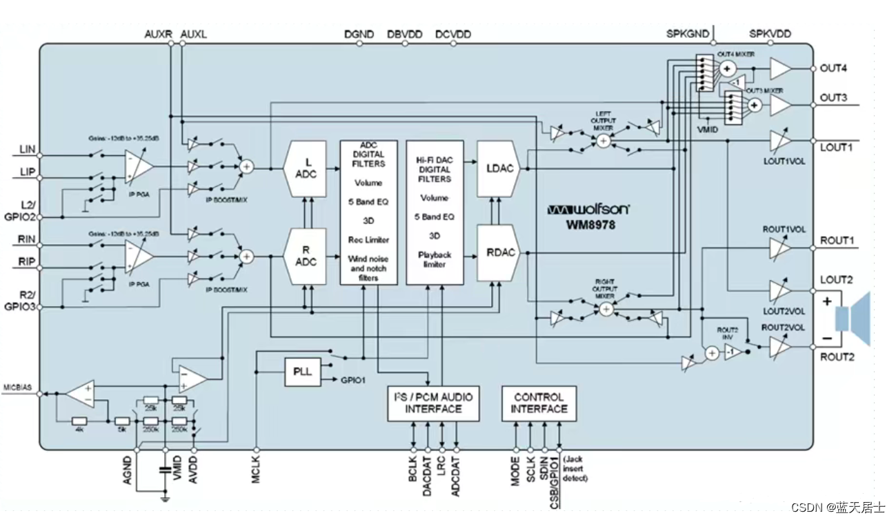
八、设备详细描述
WM8978是一款低功耗音频编解码器,结合了高品质立体声音频DAC和ADC,具有灵活的线路和麦克风输入和输出处理。此设备的应用包括多媒体电话、立体声数码摄像机以及具有单声道或立体声录制和播放功能的数码相机。
1. 特性
该芯片(WM8978)在使用中具有很大的灵活性,因此可以支持以下多种不同的操作模式:
- 麦克风输入
- PGA和ALC操作
- 线路输入 (AUXL、AUXR)
- ADC
- HI-FI DAC
- 输出声音混合器
在设备的输出端提供了灵活的混合。立体声混音器用于立体声耳机或线路输出LOUT1/ROUT1,并且OUT3/OUT4输出上的附加加法器允许在这些引脚上进行可选的差分或立体声线路输出。为LOUT1/ROUT1和LOUT2/ROUT2输出提供增益调整PGA,并且提供信号切换以允许所有可能的信号组合。
输出缓冲器可以通过多种方式进行配置,允许支持多达三组外部换能器;即立体声耳机、BTL扬声器和BTL耳机可以同时连接。在尝试所有输出同时全功率运行之前,应考虑热影响。
或者,如果不需要扬声器输出,LOUT2和ROUT2引脚可以用作立体声耳机驱动器(禁用ROUT2上的输出反相缓冲器)。在这种情况下,可能会驱动两组耳机,或者将LOUT2和ROUT2引脚用作线路输出驱动器。
OUT3和OUT4可以被配置为提供额外的立体声线路输出,该输出源自于DAC、混频器或输入麦克风升压级的输出。或者,OUT4可以被配置为左DAC和右DAC或混频器的单声道混合,或者简单地配置为芯片中轨参考电压的缓冲版本。
OUT3也可以被配置为缓冲VMID输出。然后,该电压可以用作耳机的“伪接地”,从而可以去除输出路径中经常使用的大型AC耦合电容器。
- 音频接口
WM8978有一个标准的音频接口,支持立体声数据在芯片之间的传输。该接口是一个3线标准音频接口,支持多种音频数据格式,包括I2S、DSP/PCM模式(传输LRC同步加2个数据压缩字的突发模式)、左对齐的MSB First和右对齐的MSBFirst,并且可以工作在主模式或从模式下。
- 控制接口
为了实现对所有功能的完全软件控制,WM8978提供了一个2线或3线控制接口的选择。它是完全兼容的,并且是各种工业标准微处理器、控制器和DSP的理想合作伙伴。
通过MODE引脚在模式之间进行选择。在2线模式中,设备的地址固定为0011010。
- 时钟方案
WM8978提供正常的音频DAC时钟方案操作,其中256fs MCLK被提供给DAC和ADC。
一个PLL(锁相环)被提供,该PLL可用于在系统控制器无法获得这些时钟的情况下生成这些时钟。该PLL使用输入时钟,通常为12MHz USB或ilink时钟,以生成高质量的音频时钟。如果生成这些时钟不需要该PLL,则可以重新配置该PLL以生成替代时钟,该替代时钟然后可以在GPIO引脚上输出并在系统中的其它地方使用。
- 功率控制
WM8978的设计在不影响性能的情况下非常重视功耗。其在非常低的电压下工作,包括在软件控制下关闭电路的任何未使用部分的能力,并包括待机和关闭模式。
- 操作场景
WM8978设计的灵活性允许广泛的使用场景,其中一些场景建议如下:
1)多媒体电话
支持立体声耳机、单声道扬声器或扬声器的高质量播放,允许高保真播放与语音和其它模拟输入混合,同时传输麦克风放大器的差分输出。5频段均衡器可定制高保真播放,以适应用户的偏好和音乐风格,而可编程滤波可在数字域中降低固定频率噪声(如217Hz)。
2)立体声摄像机
提供两个立体声麦克风前置放大器,支持内部和外部麦克风。扬声器、耳机和线路输出连接的所有驱动程序都集成在一起。ADC之后的可选“应用滤波器”提供了诸如“风噪”降低或机械降噪滤波器之类的功能。
3)立体声数码静态相机录制
对数字立体声录制的支持类似于便携式摄像机场景。但此外,如果DSC支持MP3播放(也许还支持录制),则ADC支持全48ks/s高质量立体声录制的能力会增加设备的灵活性。
4)单声道数码相机
提供了对设备功能的完全控制和功率控制,允许单声道DSC记录的情况,此时可以禁用一半的ADC以及麦克风和线路功能以节省功率。在单声道的情况下,音频数据的单个ADC通道通过音频接口的左通道发送。
- 辅助模拟输入
模拟立体声调频调谐器或其它辅助模拟输入可以连接到WM8978的线路输入,立体声信号可以通过耳机收听,也可以根据需要同时录制。
更多内容请看下回。
免责声明:本站所有文章内容,图片,视频等均是来源于用户投稿和互联网及文摘转载整编而成,不代表本站观点,不承担相关法律责任。其著作权各归其原作者或其出版社所有。如发现本站有涉嫌抄袭侵权/违法违规的内容,侵犯到您的权益,请在线联系站长,一经查实,本站将立刻删除。 本文来自网络,若有侵权,请联系删除,如若转载,请注明出处:https://haidsoft.com/110482.html










