大家好,欢迎来到IT知识分享网。
lwIP是一个小型开源的TCP/IP协议栈(阉割的TCP/IP协议)
lwIP适用于:云台接入、无线网关、远程模块、工控控制器、嵌入式NAT无线路由器、网络摄像头………
一、TCP/IP协议栈
1. TCP/IP协议栈结构体
2. TCP/IP协议栈的数据封装与解封装
封装:数据添加各层协议的首部;解封装:在各层间除去自层的首部
二、lwIP结构
三、MAC简介
1. MAC内核的特性:
① 传输速率:支持外部PHY接口实现10/100Mbit/s数据传输速率
② 协议标准:符合IEEE802.3/3u的MII和RMII接口与快速以太网PHY通信
③ 工作模式:支持全双工和半双工操作
④ 站管理接口:支持通过MDIO接口配置和管理PHY设备
⑤ 其他特性
2. ST的ETH框架
STM32自带有10/100Mbit/s的以太网MAC内核,它提供地址及媒体访问的控制方式
2.1 SMI站管理接口
允许应用程序通过时钟线和数据线访问任意PHY寄存器,最多支持32个PHY访问
● MDC:周期时钟引脚(最大频率为:2.5MHz)
2.1.1 SMI帧格式
● PADDR:PHY地址(00_1F)
● RADDR:寄存器地址(00_1F)
● 数据位:16位数据位(PHY寄存器都是16位的)
2.2 介质接口MII、RMII
用于MAC与外接的PHY互联,支持10/100Mbit/s数据传输模式
2.2.1 MII、RMII比较
● 相同的特性:
① 支持外部PHY接口实现10/100Mbit/s数据传输速率
② 符合IEEE802.3协议标准
● 不同的特性:
① 引脚数量
② 参考时钟
③ 发送的位宽
2.2.2 MII、RMII引脚
● 介质MII接口所需要引脚数量为16个,而RMII接口所需要的引脚数量为9个
● MII介质接口的TX_CLK和RX_CLK由PHY芯片提供,它们会让MAC内核以这个时钟采集收发数据
● RMII介质接口的REF_CLK, MAC内核以这个时钟采集收发数据
注意:RX_ER和RX_DV是用来检测以太网帧是否有效性,而CRS和COL以及CRS_DV在全双工模式下无效
2.2.3 MII、RMII参考时钟
● 介质MII的参考时钟来源有两个:MCO输出25MHz以及外部晶振输出25MHz
● 介质RMII的参考时钟来源有两个:MCO经过倍频PLL输出50MHz以及外部晶振输出50MHz(必须同时提供PHY和MAC)
注意:MII接口中的TX_CLK和RX_CLK时钟是根据数据传输速率挂钩,10Mbit/s:2.5MHz;100Mbit/s:25MHz
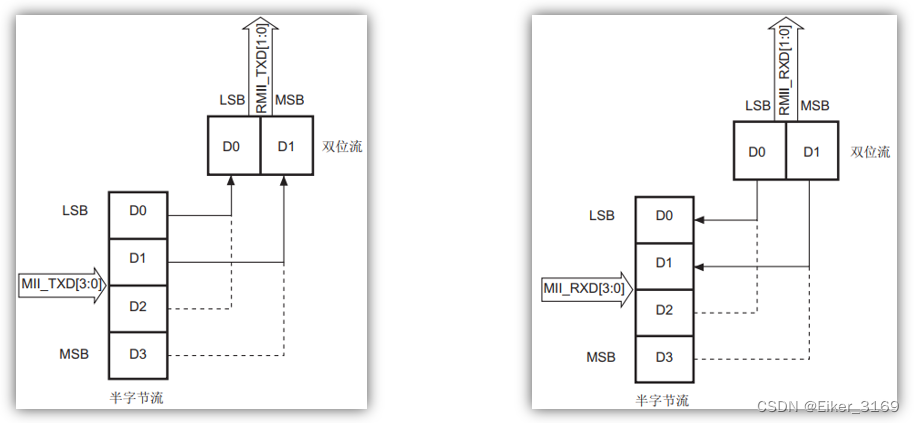
2.2.4 MII、RMII介质接口收发位宽
介质MII接口一个周期收发位宽为4位数据,而接口一个周期RMII收发位宽为2位数据
四、PHY简介
从硬件上来说,一般的PHY芯片为模数混合电路,负责接收电、光这类模拟信号,经过解调和A/D转换后通过MII/RMII接口将信号交给MAC内核处理。
1. LAN8720A与YT8512C
它们都是低功耗的10/100M以太网PHY层芯片,支持MII以及RMII接口与以太网MAC层通信。
支持Auto MDIX自动翻转功能,无需更换网线即可将连接更改为直连或交叉连接。
主要特性:
① 自动翻转:支持Auto MDIX自动翻转功能,例如:对等线与交叉线连接。
② 多种接口:支持MII和RMII介质访问接口。
③ 传输速率:支持10/100Mbit/s的传输速率。
④ 低功耗:支持低功耗运行。
2. PHY地址的设置
过PHY地址访问指定的PHY芯片,简称:PHY芯片的标识。
2.1 LAN8720A的PHY地址设置
PHYAD0默认的引脚为低电平,所以PHY地址为0x00
2.2 YT8512C的PHY地址设置
3. RMII模式选择
LAN8720A和YT8512C在RMII介质接口下延伸出两个连接方式。
3.1 RMII模式设置(LAN8720A)
这两种模式是由PHY的2号引脚电平决定,为0:Out模式(REF_CLK输出时钟),为1:In模式(中断)
3.2 RMII模式设置(YT8512C)
这两种模式是由PHY的8和12号引脚电平决定,如果8号引脚拉高以及12号引脚拉低,则硬件电路选择RMII2模式。
4. PHY寄存器
LAN8720A和YT8512C都具有32个寄存器,每一个寄存器都是16位
● 前16个寄存器用于配置PHY,而后16个寄存器是使用判断网络参数的(双工、网速)
● 因为前16个寄存器都是类似的,所以ST已经把主要框架搭建好了,用户只负责设置双工和网速参数即可
4.1 特殊功能寄存器
通过确认网速及双工模式来设置BCR寄存器的bit8和bit13
/* stm32f4/f7/h7xx_hal_conf.h */ #define PHY_SR ((uint16_t)0x0010) /*!< PHY status register Offset */ #define PHY_SPEED_STATUS ((uint16_t)0x0002) /*!< PHY Speed mask */ #define PHY_DUPLEX_STATUS ((uint16_t)0x0004) /*!< PHY Duplex mask */
每一个PHY的特殊功能寄存器都不一样,需要根据相关的手册来确定
4.1.1 LAN8720A特殊功能寄存器
4.1.2 YT8512C特殊功能寄存器
5. 选择PHY芯片
免责声明:本站所有文章内容,图片,视频等均是来源于用户投稿和互联网及文摘转载整编而成,不代表本站观点,不承担相关法律责任。其著作权各归其原作者或其出版社所有。如发现本站有涉嫌抄袭侵权/违法违规的内容,侵犯到您的权益,请在线联系站长,一经查实,本站将立刻删除。 本文来自网络,若有侵权,请联系删除,如若转载,请注明出处:https://haidsoft.com/111064.html






















