大家好,欢迎来到IT知识分享网。
欢迎订阅《FPGA学习入门100例教程》、《MATLAB学习入门100例教程》
目录
一、理论基础
高速数据采集在军用民用领域都有着广泛的应用。高速数据采集系统在自动控制、电气测量、地质物探、航空航天等工程实践中有着极为广泛的应用。如何对高速的信号进行实时采集、实时存储,保证信号不丢失,以满足工业现场的需要,一直是高速数据采集系统研究的一个重要方向。数据采集系统是信号与信息处理系统中不可缺少的重要组成部分,同时也是软件无线电系统中的核心模块。
高速数据采集系统主要包括以下几个部分:模拟信号调理电路、模数转换器、数据处理器件、数据存储器件、时钟电路、触发电路、传输接口芯片和电源系统等,如图1所示。
图1 高速数据采集系统结构图
其中,模拟信号调理电路是用来将模拟信号放大调整到ADC的采样量程之内,这样既能充分发挥ADC的性能,又能保证采样数据的完整性;ADC是高速数据采集系统的核心器件,模拟信号输入,数字信号输出;数据处理器件有很多种,可以根据实际的不同需要进行选择;数据存储器件主要用于存储数据,可以进行显示,回放和数据处理等操作;时钟电路是比较重要的,时钟的稳定性和精确性决定着数据采集的结果,所以一般的做法是单独设计稳定的时钟电路;触发电路实现外部对数据采集频率和次数的控制,传输接口用于将数据传输给计算机进行后处理。
采用单路高速A/D转换器以及存储器构成串行采集系统系统框图如图2所示:
图2 单路高速数据采集框图
采用单路高速AD转换器和高速存储电路来构成字串行采集系统,系统的采样就属于实时采样,适用于任何形式的信号波形,重复的或不重复的,单次的或连续的。又由于所有采样点是以时间为顺序,因而易于实现波形显示功能。但是采用单片高速A/D芯片和高速存储器件,会大大提高系统开发成本。同时系统的采样率就受到A/D转换器最高转换速率以及存储器写入速度的限制。因此,单通道数据采集系统的采集速度受器件自身参数的限制,很难再大幅度提高其转换速度。
二、核心程序
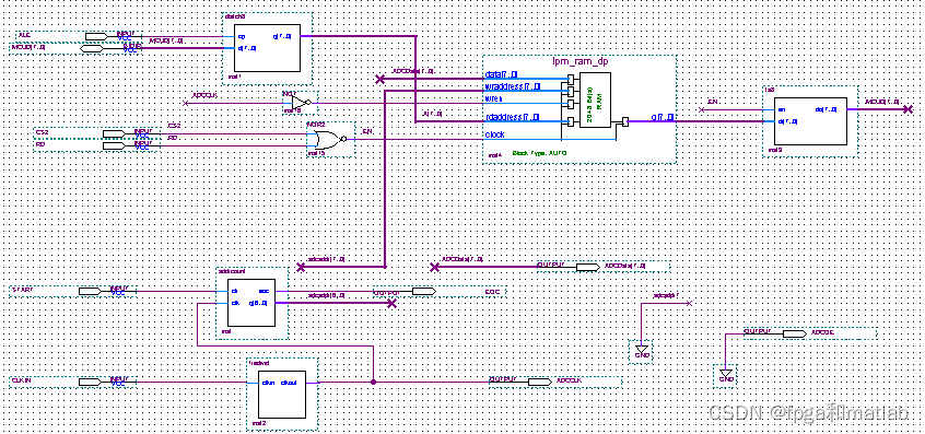
其整体结构如下所示:
2.1锁存器模块
系统工作的时候要对数据进行锁存,然后进行传输,通常这样做可以使系统更加稳定的工作,其工作原理比较简单,实现代码如下所示:
library ieee; use ieee.std_logic_1164.all; use ieee.std_logic_unsigned.all; entity dlatch8 is port( cp: in std_logic; d: in std_logic_vector(7 downto 0); q: out std_logic_vector(7 downto 0) ); end dlatch8; architecture one of dlatch8 is begin process(cp,d) begin if(cp='1') then q<=d; end if; end process; end;
2.2双口地址计数器模块
地址计数器用来给RAM存储器产生地址信号。由RAM的写入时钟来控制,每当时钟上升沿到来一次,地址计数器就自动加1,直到进行至RAM的底部,表示此时RAM已经写满。下面给出由VHDL语言实现的地址计数器部分源代码。
library ieee; use ieee.std_logic_1164.all; use ieee.std_logic_unsigned.all; use ieee.std_logic_arith.all; entity addrcount is port( clr:in std_logic; clk:in std_logic; eoc: out std_logic; q: buffer std_logic_vector(6 downto 0) ); end; architecture beha of addrcount is begin process(clr,clk) begin if(clk'event and clk='1') then if clr='0'then q<="0000000"; elsif(q="")then q<=""; else q<=q+1; end if; end if; end process; process(q) begin if(q="") then eoc<='0'; else eoc<='1'; end if; end process; end beha;
2.3双口RAM模块
对于高速数据接收,一般发送端和接收端的时钟是异步的,这就涉及到异步时钟域数据的传输的问题,此外在不同时钟控制的时钟域中传递数据时,了避免发生亚稳态和产生毛刺,应该做好异步时钟域之间的隔离处理。通常,可采用DPRAM以数据缓冲的形式来作为异步时钟域之间的隔离接口。
LIBRARY ieee; USE ieee.std_logic_1164.all; LIBRARY altera_mf; USE altera_mf.all; ENTITY lpm_ram_dp IS PORT ( clock : IN STD_LOGIC ; data : IN STD_LOGIC_VECTOR (7 DOWNTO 0); rdaddress : IN STD_LOGIC_VECTOR (7 DOWNTO 0); wraddress : IN STD_LOGIC_VECTOR (7 DOWNTO 0); wren : IN STD_LOGIC := '1'; q : OUT STD_LOGIC_VECTOR (7 DOWNTO 0) ); END lpm_ram_dp; ARCHITECTURE SYN OF lpm_ram_dp IS SIGNAL sub_wire0 : STD_LOGIC_VECTOR (7 DOWNTO 0); COMPONENT altsyncram GENERIC ( address_aclr_a : STRING; address_aclr_b : STRING; address_reg_b : STRING; indata_aclr_a : STRING; intended_device_family : STRING; lpm_type : STRING; numwords_a : NATURAL; numwords_b : NATURAL; operation_mode : STRING; outdata_aclr_b : STRING; outdata_reg_b : STRING; power_up_uninitialized : STRING; read_during_write_mode_mixed_ports : STRING; widthad_a : NATURAL; widthad_b : NATURAL; width_a : NATURAL; width_b : NATURAL; width_byteena_a : NATURAL; wrcontrol_aclr_a : STRING ); PORT ( wren_a : IN STD_LOGIC ; clock0 : IN STD_LOGIC ; address_a : IN STD_LOGIC_VECTOR (7 DOWNTO 0); address_b : IN STD_LOGIC_VECTOR (7 DOWNTO 0); q_b : OUT STD_LOGIC_VECTOR (7 DOWNTO 0); data_a : IN STD_LOGIC_VECTOR (7 DOWNTO 0) ); END COMPONENT; BEGIN q <= sub_wire0(7 DOWNTO 0); altsyncram_component : altsyncram GENERIC MAP ( address_aclr_a => "NONE", address_aclr_b => "NONE", address_reg_b => "CLOCK0", indata_aclr_a => "NONE", intended_device_family => "Cyclone", lpm_type => "altsyncram", numwords_a => 256, numwords_b => 256, operation_mode => "DUAL_PORT", outdata_aclr_b => "NONE", outdata_reg_b => "CLOCK0", power_up_uninitialized => "FALSE", read_during_write_mode_mixed_ports => "DONT_CARE", widthad_a => 8, widthad_b => 8, width_a => 8, width_b => 8, width_byteena_a => 1, wrcontrol_aclr_a => "NONE" ) PORT MAP ( wren_a => wren, clock0 => clock, address_a => wraddress, address_b => rdaddress, data_a => data, q_b => sub_wire0 ); END SYN;
2.4时钟分频模块
一般在高速系统中,时钟的生产有两种方法实现,PLL锁相环法和计数器分频法。下面我们对两种方法做简单的介绍。
计数器分频器的设计比较简单,其主要通过计数器来控制时钟发现跳板的周期,这里我们对其工作原理就不做介绍了。本系统由于使用的分频器比较简单,因此在这个系统中,我们将实用计数器分频器来设计时钟。
其实现的VHDL代码如下所示:
LIBRARY IEEE; use ieee.std_logic_1164.all; use ieee.std_logic_unsigned.all; entity fredivid is port( clkin:in std_logic; clkout: out std_logic ); end fredivid; architecture one of fredivid is signal q:std_logic_vector(1 downto 0); begin process(clkin) begin if(clkin'event and clkin='1')then if(q="11")then q<="00"; else q<=q+1; end if; end if; end process; process(q) begin if(q(1)='1') then clkout<='1'; else clkout<='0'; end if; end process; end;
三、测试结果
最后,对于设计完成的系统,我们得对其资源做分析。本系统其资源实用情况如所示:
图1 资源使用分析
本系统,我们共实用逻辑单元2048个。
图2 时序分析报表
其中tsu,tco,tpd,th分别为7.098ns,14.272ns,9.109ns,0.227ns。后面的输入信号频率基本在200M左右,达到高速传输的要求。
A28-35
免责声明:本站所有文章内容,图片,视频等均是来源于用户投稿和互联网及文摘转载整编而成,不代表本站观点,不承担相关法律责任。其著作权各归其原作者或其出版社所有。如发现本站有涉嫌抄袭侵权/违法违规的内容,侵犯到您的权益,请在线联系站长,一经查实,本站将立刻删除。 本文来自网络,若有侵权,请联系删除,如若转载,请注明出处:https://haidsoft.com/143699.html




