大家好,欢迎来到IT知识分享网。
单片机设计介绍,基于单片机智能温控器控制系统设计
一 概要
基于单片机智能温控器控制系统设计概要如下:
二、系统组成
单片机控制器:作为系统的核心,单片机控制器负责接收温度传感器的数据,执行控制算法,并输出控制信号。常用的单片机型号如STC89C52、STM32等,它们具备高性能、低功耗和强大的处理能力。
温度传感器:用于实时监测环境温度,并将温度数据转换为电信号传输给单片机控制器。常见的温度传感器有DS18B20、PT100等,具有高灵敏度、高精度和宽温度范围等特点。例如,DS18B20的测温范围为-55~+125℃,测量精度达到0.0625℃。
A/D转换器(如果温度传感器输出为模拟信号):将温度传感器输出的模拟信号转换为数字信号,以便单片机控制器进行处理。
显示模块:用于显示当前温度、设定温度、系统状态等信息。常见的显示模块有LCD显示屏、OLED屏幕等,提供直观、清晰的显示效果。
按键模块:提供用户输入接口,用于设定温度值、切换控制模式、调整参数等。
控制执行模块:根据单片机控制器的指令,控制加热或制冷设备的开关和功率,以实现对环境温度的调节。常见的控制执行模块包括继电器、可控硅等。
电源模块:为整个系统提供稳定的电能供应,确保系统能够持续稳定地工作。
三、工作原理
温度采集:温度传感器实时采集环境温度数据,并将其转换为电信号(模拟或数字)传输给单片机控制器。
数据处理:单片机控制器接收温度数据后,进行必要的滤波和校准处理,确保数据的准确性。然后,根据预设的温度阈值和当前温度值,执行相应的控制算法(如PID控制算法),计算出控制信号。
控制输出:单片机控制器将控制信号发送给控制执行模块,控制执行模块根据指令控制加热或制冷设备的开关和功率,以调节环境温度。
显示与反馈:通过显示模块实时显示当前温度、设定温度等信息,方便用户了解系统状态。同时,系统还可以根据需要输出报警信号或提示信息,以提示用户注意异常情况。
四、系统特点
智能化程度高:通过单片机控制器实现对温度的实时监测和控制,提高了系统的智能化水平。
高精度控制:采用高精度温度传感器和先进的控制算法,能够实现对环境温度的精确控制。
稳定性好:系统具有良好的稳定性和可靠性,能够长时间稳定运行,并适应各种复杂环境。
操作简便:通过直观的显示和简单的按键操作,用户可以方便地设定温度值、查看系统状态等。
易于扩展和维护:采用模块化设计,方便功能扩展和模块替换,降低了系统的维护成本。
五、总结
基于单片机智能温控器控制系统设计是一个综合性的工程,涉及硬件设计、软件编程、功能实现以及用户界面设计等多个方面。通过科学合理的设计和实现过程,可以构建出一个稳定、高效、智能的温度控制系统,满足不同场合下的温度控制需求。
二、功能设计
描述:当温控开关打开时,若测得环境温度大于设定温度,则继电器吸合,启动压缩机工作;若测得环境温度小于设定温度,则继电器释放,压缩机停止工作该实验可以应用于对温度控制精度要求不是很高的场合,例如,粮仓,电冰箱,空调,电饭锅等。如果配以通讯接口,可以做成多点温度检测监控系统。具有极强的扩展性。
设计思路
调查研究法:通过调查、分析、具体试用等方法,发现单片机系统的现状、存在问题和解决办法;
比较分析法:比较不同系统的具体原理,以及同一类传感器性能的区别,分析系统的研究现状与发展前景;
软硬件设计法:通过软硬件设计实现具体硬件实物,最后测试各项功能是否满足要求。
三、 软件设计
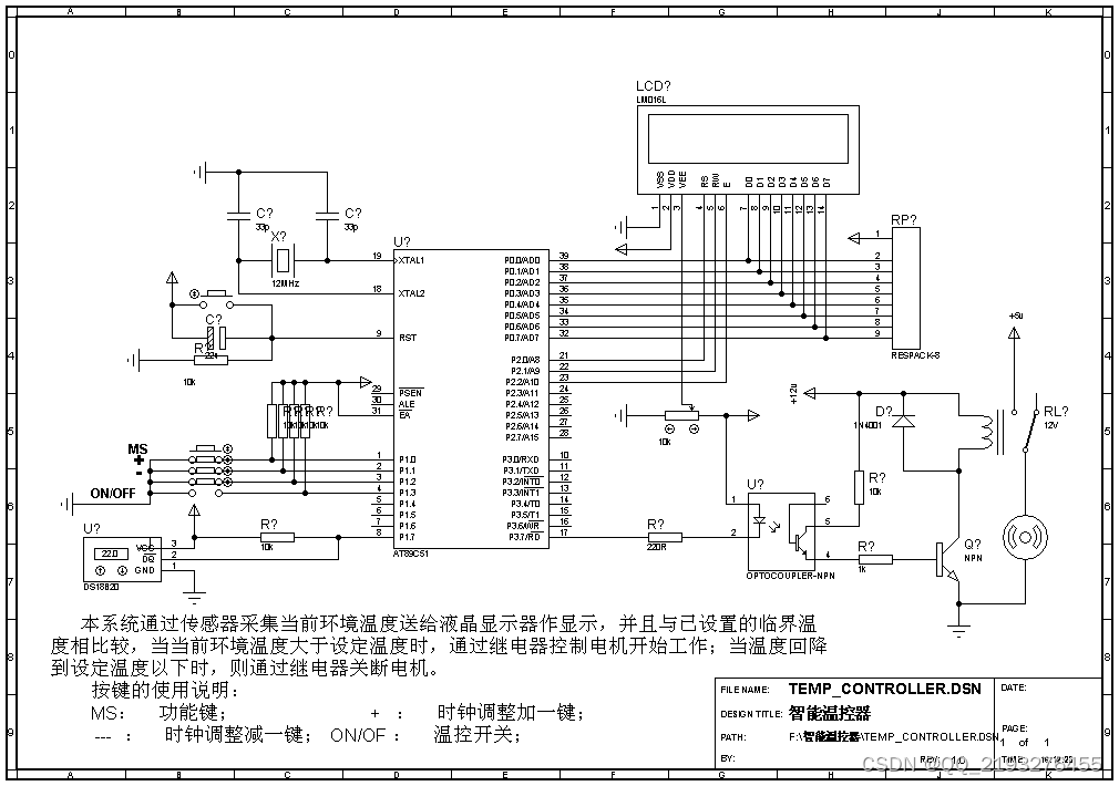
本系统原理图设计采用Altium Designer19,具体如图。在本科单片机设计中,设计电路使用的软件一般是Altium Designer或proteus,由于Altium Designer功能强大,可以设计硬件电路的原理图、PCB图,且界面简单,易操作,上手快。Altium Designer19是一款专业的整的端到端电子印刷电路板设计环境,用于电子印刷电路板设计。它结合了原理图设计、PCB设计、多种管理及仿真技术,能够很好的满足本次设计需求。
————————————————
原理图
五、 程序
本设计利用KEIL5软件实现程序设计,具体如图。作为本科期间学习的第一门编程语言,C语言是我们最熟悉的编程语言之一。当然,由于其功能强大,C语言是当前世界上使用最广泛、最受欢迎的编程语言。在单片机设计中,C语言已经逐步完全取代汇编语言,因为相比于汇编语言,C语言编译与运行、调试十分方便,且可移植性高,可读性好,便于烧录与写入硬件系统,因此C语言被广泛应用在单片机设计中。keil软件由于其兼容单片机的设计,能够实现快速调试,并生成烧录文件,被广泛应用于C语言的编写和单片机的设计。
————————————————
六、 文章目录
目 录
摘 要 I
Abstract II
引 言 1
1 控制系统设计 2
1.1 主控系统方案设计 2
1.2 传感器方案设计 3
1.3 系统工作原理 5
2 硬件设计 6
2.1 主电路 6
2.1.1 单片机的选择 6
2.2 驱动电路 8
2.2.1 比较器的介绍 8
2.3放大电路 8
2.4最小系统 11
3 软件设计 13
3.1编程语言的选择 13
4 系统调试 16
4.1 系统硬件调试 16
4.2 系统软件调试 16
结 论 17
参考文献 18
附录1 总体原理图设计 20
附录2 源程序清单 21
致 谢 25
免责声明:本站所有文章内容,图片,视频等均是来源于用户投稿和互联网及文摘转载整编而成,不代表本站观点,不承担相关法律责任。其著作权各归其原作者或其出版社所有。如发现本站有涉嫌抄袭侵权/违法违规的内容,侵犯到您的权益,请在线联系站长,一经查实,本站将立刻删除。 本文来自网络,若有侵权,请联系删除,如若转载,请注明出处:https://haidsoft.com/144643.html



