大家好,欢迎来到IT知识分享网。
科技改变生活,智能时代的开启,如小夜灯、智能LED灯、智能排插座,门铃等走进千家万户,在生活中给我们带来了极大的便利和丰富的体验,而这些便利功能的实现,均离不开电源芯片的支持。
昱灿推出YB5011是一款高性能低成本PWM控制功率开关,SOP-8封装 适用于离线式小功率降压型应用场合,外围电路简单、器件个数少。同时产品内置高耐压MOSFET可提高
系统浪涌耐受能力,助力全智能家用灯具等。
系统浪涌耐受能力,助力全智能家用灯具等。
YB5011集成有完备的带自恢复功能的保护功能:VDD欠压保护、逐周期电流与传统的PWM控制器不同,内部无固定时钟驱动MOSFET,系统开关频
率随负载变化可实现自动调节。同时芯片采用了多模式PWM控制技术,有效简化了外围电路设计,提升线性调整率和负载调整率并消除系统工作中的可闻噪音。
率随负载变化可实现自动调节。同时芯片采用了多模式PWM控制技术,有效简化了外围电路设计,提升线性调整率和负载调整率并消除系统工作中的可闻噪音。
此外,芯片内部峰值电流检测阈值可跟随实际负载情况自动调节,可以有效降低空载情况下的待机功耗。限制、输出过压保护、过热保护、过载保护和VDD过压保护等。
YB5011 分
两种类型:
两种类型:
YB5011D SOP-8 非隔离AC-DC 耐压500V 输出电压12V/ADJ 400mA
YB5011E SOP-8 非隔离AC-DC 500V耐压 200mA输出电流能力
特点:
● 多模式控制、无异音工作
● 支持降压和升降压拓扑
● 默认12V 输出(FB 脚悬空)
● 待机功耗低于50mW
● 良好的线性调整率和负载调整率
● 集成软启动电路
● 内部保护功能:
● 过载保护 (OLP)
● 逐周期电流限制 (OCP)
● 输出过压保护 (OVP)
● VDD 过压、欠压和电压箝位保护
应用领域:
● 智能LED灯具电源
● 智能家居控制电源
● 智能插座门铃等
● 小家电电源
● 工业控制
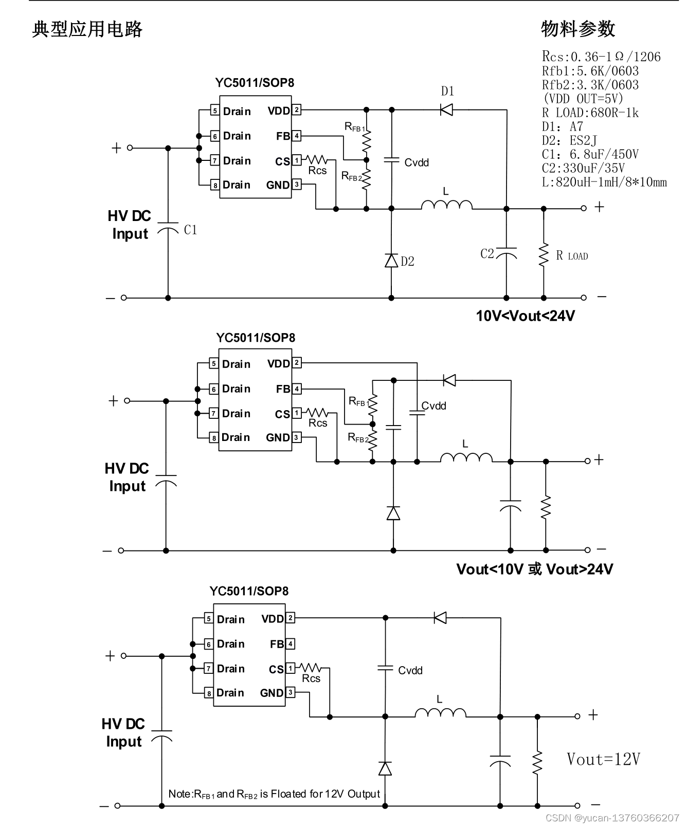
典型应用图:
YB5011 过EMC 方案参考
我们理解每个客户的需求都不同。因此,我们提供定制化的解决方案,根据客户的具体需求量身定制芯片,确保能够满足不同行业、不同场景的需求。
免责声明:本站所有文章内容,图片,视频等均是来源于用户投稿和互联网及文摘转载整编而成,不代表本站观点,不承担相关法律责任。其著作权各归其原作者或其出版社所有。如发现本站有涉嫌抄袭侵权/违法违规的内容,侵犯到您的权益,请在线联系站长,一经查实,本站将立刻删除。 本文来自网络,若有侵权,请联系删除,如若转载,请注明出处:https://haidsoft.com/147661.html


