大家好,欢迎来到IT知识分享网。
目前不管是工业自动化领域、汽车领域,还是生活家电领域,各个终端市场对 BLDC 电机控制性能提出了更高的要求。它们不仅需要电机能够做到高效率和多功能控制,还需要电机在追求高转速的同时实现低噪音低振动的控制效果。与日俱增的高标准性能要求下,越来越多的高性能 BLDC 电机驱动控制芯片在市场高需求和性能高标准两大机遇下涌现。国内很多厂商都相继推出了 BLDC 电机驱动芯片及解决方案,在性能上较之国际厂商的驱动芯片也不落下风,并且性价比更高,在技术支持上国内厂商也能及时给予客户更多的支持。
01 什么是 FOC?
FOC(Field-Oriented Control),即磁场定向控制,也称矢量变频,是目前高效控制无刷直流电机(BLDC)和永磁同步电机(PMSM)的最佳选择。
FOC 精确地控制磁场大小与方向,使得电机转矩平稳、噪声小、效率高,并且具有高速的动态响应。目前已在很多应用上逐步替代传统的控制方式,在运动控制行业中备受瞩目。
02 FOC 的原理是什么?
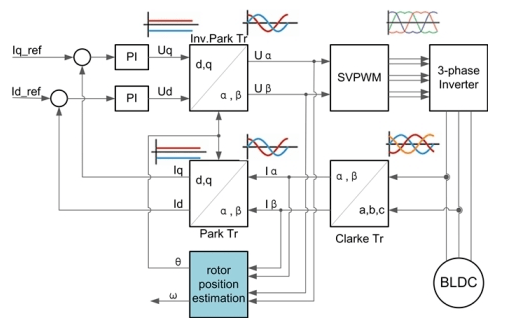
FOC 控制首选需要得到电机转子的位置、电机转速、电流大小等信息作为反馈输入,需要采集电机相电流,对其进行一系列的数学变换和估算算法后得到解耦的易用控制的反馈量。控制器根据反馈量与目标值的误差进行动态调节,最终输出三相正弦波驱动电机转动。
FOC 典型控制框图
03 有传感器 FOC/无传感器 FOC?
- 对于有传感器 FOC,由于编码器能反馈电机转子的位置信息,因此控制简单,但是往往对控制性能要求较高。
- 对于无传感器 FOC,在控制中需要通过采集电机相电流,使用位置估算算法来计算转子位置,因此控制难度大。但是布线简单,成本低,可靠性高,能够最大程度上实现高效率、低振动、低噪音以及高响应速度等控制目标,所以逐渐成为行业主流趋势,多应用于风机类的场合中。
硅基动力——微动力系统专家
04 硅基动力三相无感FOC控制技术
硅基动力为了达到最佳的产品应用效果,根据不同产品的特性,采取不同的电机控制技术。在加湿器、空气净化器、风扇、吹风机、干手机等多类应用场景解决方案中采用FOC,运用正弦波的控制方式,启动平稳的同时,解决了方波控制带来的噪声问题。通过将电机定子电流分解为励磁电流和转矩电流,从而能够在很大程度上提高电机速度控制的精准度。硅基动力研发团队拥有行业内深耕数十年的顶级专家,使得硅基研发的产品稳定可靠且包含行业新兴技术,以及充满新时代元素。此外硅基动力具有快速研发,短时间出样品的能力,根据客户要求,最快两周即可完成从方案设计到样品制作的过程。同时,硅基动力给予个性化的客户服务,根据客户需求进行深度研发定制,提供最优质、最适配的高端电机系统方案及高质量、正反馈的服务体验,助力客户在激烈的市场竞争中突出重围,保持领先。
免责声明:本站所有文章内容,图片,视频等均是来源于用户投稿和互联网及文摘转载整编而成,不代表本站观点,不承担相关法律责任。其著作权各归其原作者或其出版社所有。如发现本站有涉嫌抄袭侵权/违法违规的内容,侵犯到您的权益,请在线联系站长,一经查实,本站将立刻删除。 本文来自网络,若有侵权,请联系删除,如若转载,请注明出处:https://haidsoft.com/154635.html


