大家好,欢迎来到IT知识分享网。
简介
本文档主要是对电磁基础理论进行总结,作为电力电子控制方面的基础知识。
1 电磁感应定律
电磁感应定律也叫法拉第电磁感应定律,是指因磁通量变化产生感应电动势的现象。
电磁感应定律中电动势的方向可以通过楞次定律或右手定则来确定。
右手定则内容:伸平右手使拇指与四指垂直,手心向着磁场的N极,拇指的方向与导体运动的方向一致,四指所指的方向即为导体中感应电流的方向(感应电动势的方向与感应电流的方向相同)。
楞次定律指出:感应电流的磁场要阻碍原磁通的变化。简而言之,就是磁通量变大,产生的电流有让其变小的趋势;而磁通量变小,产生的电流有让其变大的趋势。
电路中感应电动势的大小,跟穿过这一电路的磁通变化率成正比:
ε = − n Δ ϕ Δ t \varepsilon = -n \frac{\Delta \phi }{\Delta t} ε=−nΔtΔϕ
其中, n n n 是线圈匝数, Δ ϕ \Delta \phi Δϕ 为磁通变化量(单位 W b Wb Wb)
当导线切割磁感线运动时,感应电动势公式为: ε = − B L V sin θ \varepsilon = -BLV\sin\theta ε=−BLVsinθ θ \theta θ 是 V V V和 B B B方向的夹角
感应电动势的种类分为动生电动势和感生电动势。
- 感生电动势
感生电动势是因为穿过闭合线圈的磁场强度发生变化产生涡旋电场导致电流定向运动,其方向符合楞次定律。
- 动生电动势
动生电动势是因为导体自身在磁场中做切割磁感线运动而产生的感应电动势,其方向用右手定则判断。
2 安培环路定理
在稳恒磁场中,磁感应强度B沿任何闭合路径的线积分,等于这闭合路径所包围的各个电流的代数和乘以磁导率。这个结论称为安培环路定理(Ampere circuital theorem),它反映了稳恒磁场的磁感应线和载流导线相互套连的性质。
∮ l B ⋅ d l = μ 0 ∑ i = 1 n I i \oint_{l}^{} B\cdot dl = \mu _{0}\sum_{i=1}^{n}I_{i} ∮lB⋅dl=μ0i=1∑nIi
因为 B = μ 0 H B = \mu_{0}H B=μ0H,也可以表达为
∮ l H ⋅ d l = ∑ i = 1 n I i \oint_{l}^{} H\cdot dl = \sum_{i=1}^{n}I_{i} ∮lH⋅dl=i=1∑nIi
3 楞次定律
4 电磁力
- 洛伦兹力
运动的电荷 + q +q +q在磁场中受到力的作用,在国际单位制中,洛仑兹力的单位是牛顿,符号是N。
洛伦兹力方向总与运动方向垂直且洛伦兹力永远不做功。
F = q v × B F = qv\times B F=qv×B
洛伦兹力的方向垂直于 v v v和 B B B组成的平面,方向用左手定则判断。 - 安培力
通电的导体在磁场中收到力的作用。
F = l B × I F = lB\times I F=lB×I
通电的导体长度为 l l l,电子的数量是 I Δ t I\Delta t IΔt, Δ t = l / v \Delta t=l/v Δt=l/v,根据微观的电子洛伦兹力,就可以推导宏观的安培力,方向用左手定则判断。
5 磁链定义
如果一个回路由N匝线圈组成,通过每个线圈的磁通量均相等,则这个回路的磁链定义为:
ψ = N ϕ \psi =N\phi ψ=Nϕ
磁链的单位是 W b Wb Wb。
6 磁介质概念
弱磁质:包含顺磁质和抗磁质,顺磁质是指磁介质被磁化后磁性变强,如铝;抗磁质是指磁介质磁化后磁性变弱,如铜。
强磁质:磁介质磁化后磁性会显著增强,可达到100~10000倍,这类磁介质叫铁磁质,如铁。
磁畴:铁磁质内部电子间因自旋在微小的区域形成了磁畴,排列是无序的,对外不显示磁性,磁化后方向一致。
居里温度:随着温度升高,铁磁质的磁化能力逐渐减小,当升高到一定温度后,铁磁性就完全消失,铁磁质退化成顺磁质,这个温度叫居里温度。
剩磁:当磁场强度 H H H增大再减小后,磁介质的磁感应强度 B B B并不为0,当 H H H减小到0时,剩余的磁感应强度 B r B_{r} Br叫做剩磁。
矫顽力:对磁介质的剩磁反向逐渐增大磁场强度到 H c H_{c} Hc时,磁介质的磁感应强度变为0,这个 H c H_{c} Hc叫作矫顽力。
磁滞回线:磁感应强度和磁强强度的关系曲线叫作磁介质的磁滞回线。
软磁材料:容易被磁化,矫顽力很小,容易去磁,适合制造电磁铁、变压器、交流电机的铁心。
硬磁材料:剩磁和矫顽力都很大,磁滞回线包围面积较大,在外磁场充磁后,能保留较强的磁性,适合制造永磁体。
7 磁场的储能
磁场的强弱是用磁感应强度表示,那么磁场的能量也可以用磁感应强度表示,磁场的能量密度定义为
ω m = d W m d V = 1 2 B 2 μ \omega_{m}=\frac{dW_{m}}{dV}=\frac{1}{2}\frac{B^{2}}{\mu} ωm=dVdWm=21μB2
单位是 j ⋅ m − 3 j\cdot m^{-3} j⋅m−3,磁介质的磁导率越大,磁场的能量密度越小,对于同性的均匀磁介质,由于 B = μ H B=\mu H B=μH,又可以写成
ω m = 1 2 B H \omega_{m}=\frac{1}{2}BH ωm=21BH
在体积 V V V中,磁场的总能量为
W m = ∮ V ω m d V = ∮ V 1 2 B H d V W_{m}=\oint_{V}^{}\omega_{m}dV=\oint_{V}^{}\frac{1}{2}BHdV Wm=∮VωmdV=∮V21BHdV
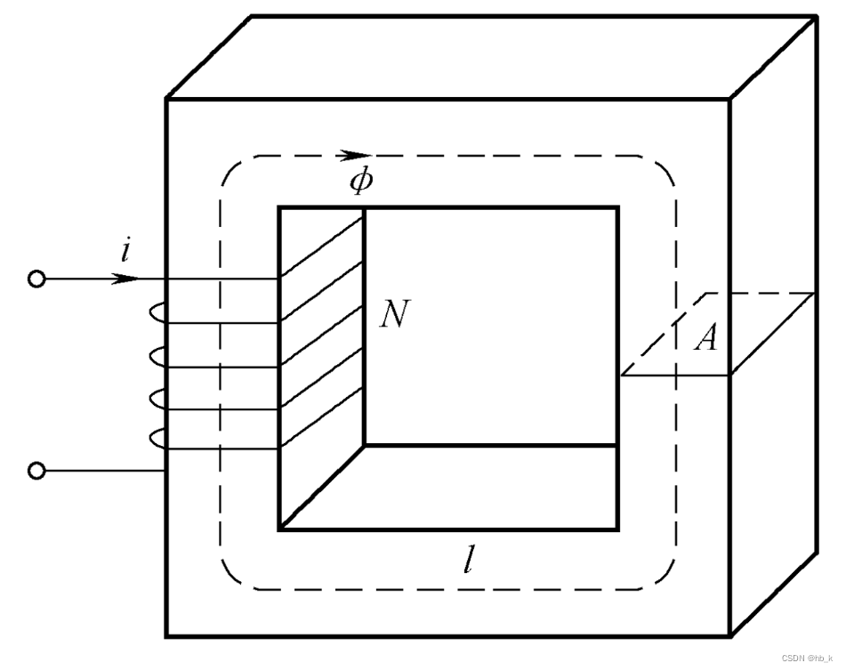
8 磁路及其基本定理
磁路:磁通所通过的路径称
主磁通:在铁心中的磁通是主磁通
漏磁通:分散在铁心外的磁通是漏磁通
励磁电流:流经励磁线圈,用以激励磁路中的磁通的电流,分直流励磁电流和交流励磁电流,对应产生直流磁通和交流磁通
在铁磁材料中,满足:
H L = N i HL=Ni HL=Ni
🍀定义 F = N i F=Ni F=Ni为作用在铁心磁路上的磁动势,单位是 A A A
定义磁路的欧姆定律:
F = N i = ϕ R m F=Ni=\phi R_{m} F=Ni=ϕRm
R m = N i ϕ = H L ϕ = B L μ B A = L μ A R_{m}=\frac{Ni}{\phi}=\frac{HL}{\phi}=\frac{BL}{\mu BA}=\frac{L}{\mu A} Rm=ϕNi=ϕHL=μBABL=μAL
其中 L L L是磁路长度, A A A是铁心的截面积。
磁路的基尔霍夫定律:对铁心的任意截面,流入的磁通一定等于流出的磁通。
变压器开气隙:
F = N i = ϕ ( R c + R g ) = ϕ ( l m − l g μ A + l g μ 0 A ) = H c ( l m − l g ) + H g l g F=Ni=\phi(R_{c}+R_{g}) =\phi(\frac{l_{m}-l_{g}}{\mu A}+\frac{l_{g}}{\mu_{0} A}) =H_{c}(l_{m}-l_{g})+H_{g}l_{g} F=Ni=ϕ(Rc+Rg)=ϕ(μAlm−lg+μ0Alg)=Hc(lm−lg)+Hglg
气隙虽短,但是磁阻大,磁位降 H g l g H_{g}l_{g} Hglg很大。
磁通 ϕ \phi ϕ穿过气隙后提供了气隙磁通,所以也叫励磁磁通。
9 典型直流磁路
双线圈励磁、磁链
上图所示,两个线圈A和B,匝数分别是 N A N_{A} NA和 N B N_{B} NB,外加电压分别产生励磁电流。
仅有线圈A励磁
由于磁通有连续性,不考虑气隙内磁场的边缘效应(即气隙的截面积长宽分别+ δ \delta δ),有 ϕ m A = ϕ δ \phi_{mA}=\phi_{\delta} ϕmA=ϕδ,铁心和气隙的磁阻分别为:
R m = l m μ F e A R_{m}=\frac{l_{m}}{\mu_{Fe}A} Rm=μFeAlm
R δ = δ μ 0 A R_{\delta}=\frac{\delta}{\mu_{0}A} Rδ=μ0Aδ
由磁路欧姆定律可得
F A = N A i A = ϕ m A R m + ϕ δ R δ = ϕ m A R m δ = ϕ δ R m δ F_{A}=N_{A}i_{A}=\phi_{mA}R_{m}+\phi_{\delta}R_{\delta}=\phi_{mA}R_{m\delta}=\phi_{\delta}R_{m\delta} FA=NAiA=ϕmARm+ϕδRδ=ϕmARmδ=ϕδRmδ
由于铁的磁导率远远大于空气的磁导率,所以有
F A = ϕ δ R δ F_{A}=\phi_{\delta}R_{\delta} FA=ϕδRδ
即磁动势基本都施加在气隙上。
定义线圈A的励磁磁链为:
ψ m A = N A ϕ m A \psi_{mA}=N_{A}\phi_{mA} ψmA=NAϕmA
结合前面公式可以得到
ψ m A = N A ϕ m A = N A 2 R m δ i A \psi_{mA}=N_{A}\phi_{mA}=\frac{N_{A}^{2}}{R_{m\delta}}i_{A} ψmA=NAϕmA=RmδNA2iA
定义线圈的励磁电感为
L m A = ψ m A i A = N A 2 R m δ L_{mA}=\frac{\psi_{mA}}{i_{A}}=\frac{N_{A}^{2}}{R_{m\delta}} LmA=iAψmA=RmδNA2
假设铁心磁导率非常大,则 R m δ ≈ R δ R_{m\delta}\approx R_{\delta} Rmδ≈Rδ
L m A = N A 2 R δ = N A 2 δ μ A L_{mA}=\frac{N_{A}^{2}}{R_{\delta}}=\frac{N_{A}^{2}}{\delta}\mu A LmA=RδNA2=δNA2μA
在磁动势作用下,还存在没有经过铁心而经由空气的漏磁场,它与线圈A交链并与主磁路病例,产生漏磁链:
ψ σ A = L σ A i A \psi_{\sigma A}=L_{\sigma A}i_{A} ψσA=LσAiA
其中,漏电感近乎常值,远远小于励磁电感。
所以,线圈A的自感总磁链公式为
ψ A A = ψ σ A + ψ m A = L σ A i A + L m A i A = L A i A \psi_{AA}=\psi_{\sigma A}+\psi_{mA}=L_{\sigma A}i_{A}+L_{m A}i_{A}=L_{A}i_{A} ψAA=ψσA+ψmA=LσAiA+LmAiA=LAiA
定义线圈A的自感为
L A = L σ A + L m A L_{A}=L_{\sigma A}+L_{m A} LA=LσA+LmA
自感由漏感和励磁电感组成。
线圈A和线圈B同时励磁
同理,线圈B的自感总磁链公式为
ψ B B = ψ σ B + ψ m B = L σ B i B + L m B i B = L B i B \psi_{BB}=\psi_{\sigma B}+\psi_{mB}=L_{\sigma B}i_{B}+L_{m B}i_{B}=L_{B}i_{B} ψBB=ψσB+ψmB=LσBiB+LmBiB=LBiB
定义线圈B的自感为
L B = L σ B + L m B L_{B}=L_{\sigma B}+L_{m B} LB=LσB+LmB
自感由漏感和励磁电感组成。
线圈B产生的磁通同时要与线圈A交链,这部分相互交链的磁通称为互感磁通,则电流 i B i_{B} iB在线圈A中产生的互感磁链定位为
ψ m A B = ϕ m B N A = i B N B N A R δ \psi_{mAB}=\phi_{mB}N_{A}=\frac{i_{B}N_{B}N_{A}}{R_{\delta}} ψmAB=ϕmBNA=RδiBNBNA
定义线圈B对线圈A的互感为
L A B = ψ m A B i B = N A N B R δ L_{AB}=\frac{\psi_{mAB}}{i_{B}}=\frac{N_{A}N_{B}}{R_{\delta}} LAB=iBψmAB=RδNANB
同理,线圈A对线圈B的互感为
L B A = ψ m B A i A = N A N B R δ = L A B L_{BA}=\frac{\psi_{mBA}}{i_{A}}=\frac{N_{A}N_{B}}{R_{\delta}}=L_{AB} LBA=iAψmBA=RδNANB=LAB
即线圈A和线圈B的互感相等,此结论具有一般性。
当线圈A和线圈B产生的励磁磁场方向一致时,产生的互感为正值,当磁场方向相反时,产生的互感为负值。
如果 N A = N B N_{A}=N_{B} NA=NB,则 L m A = L m B = L A B = L B A L_{mA}=L_{mB}=L_{AB}=L_{BA} LmA=LmB=LAB=LBA
双线圈励磁时,线圈A的全磁链为
ψ A = ψ σ A + ψ m A + ψ m A B = L σ A i A + L m A i A + L A B i B = L A i A + L A B i B \psi_{A}=\psi_{\sigma A}+\psi_{mA}+\psi_{mAB}=L_{\sigma A}i_{A}+L_{m A}i_{A}+L_{AB}i_{B}=L_{A}i_{A}+L_{AB}i_{B} ψA=ψσA+ψmA+ψmAB=LσAiA+LmAiA+LABiB=LAiA+LABiB
线圈B的全磁链为
ψ B = ψ σ B + ψ m B + ψ m B A = L σ B i B + L m B i B + L B A i A = L B i B + L B A i A \psi_{B}=\psi_{\sigma B}+\psi_{mB}+\psi_{mBA}=L_{\sigma B}i_{B}+L_{m B}i_{B}+L_{BA}i_{A}=L_{B}i_{B}+L_{BA}i_{A} ψB=ψσB+ψmB+ψmBA=LσBiB+LmBiB+LBAiA=LBiB+LBAiA
由电磁感应定律可知,磁链变化时,产生的感应电动势为
e A = − d ψ A d t e_{A}=-\frac{d\psi_{A}}{dt} eA=−dtdψA
e B = − d ψ B d t e_{B}=-\frac{d\psi_{B}}{dt} eB=−dtdψB
免责声明:本站所有文章内容,图片,视频等均是来源于用户投稿和互联网及文摘转载整编而成,不代表本站观点,不承担相关法律责任。其著作权各归其原作者或其出版社所有。如发现本站有涉嫌抄袭侵权/违法违规的内容,侵犯到您的权益,请在线联系站长,一经查实,本站将立刻删除。 本文来自网络,若有侵权,请联系删除,如若转载,请注明出处:https://haidsoft.com/158573.html







