大家好,欢迎来到IT知识分享网。
目录
一、电流互感器
1、工作原理
电流互感器利用变压器原、副边电流成比例的特点制成。其工作原理、等值电路也与一般变压器相同,只是其原边绕组串联在被测电路中,且匝数很少;副边绕组接电流表、继电器电流线圈等低阻抗负载,近似短路。原边电流(即被测电流)和副边电流取决于被测线路的负载,而与电流互感器的副边负载无关。由于副边接近于短路,所以原、副边电压都很小,励磁电流也很小。
2、电流互感器二次回路接线方式
1、一相式接线
2、完全星形接线
实物如下,注意中性线不能断开!
3、不完全星形接线
这里要求电流满足下面的公式:
4、三角形接线
5、其他接线
3、电流互感器二次回路基本要求
1、电压互感器的接线方式应满足测量仪表、远动装置继电保护和自动装置的具体要求。
2、应有一个可靠的安全接地点。
3、应有防止二次回路开路的措施
如果二次开路会造成:
- 铁芯中磁通量急剧,铁芯严重发热。
- 温度过高烧坏线圈绝缘。
- 二次开路,会感应出很高的电压。
- 绝缘损坏高压侧对地短路。
措施:
- 电流互感器二次回路不允许装设熔断器等短路保护设备。
- 电流互感器二次回路一般不进行切换。
- 继电保护与测量仪表一般不合用电流互感器。
- 不使用的电流互感器二次绕组的端子必须短接并接地。
- 电流互感器二次回路的端子应采用试验端子。
- 电流互感器二次回路的连接导线应有足够的机械强度。
4.电流互感器的二次负载不应大于允许值
影响:当电流互感器二次负载超出了容许值时,励磁电流随之增大,从而造成铁芯饱和,使得互感器的误差增大,准确度下降。
措施:增加连接导线的截面积;选用二次允许负载较大的电流互感器;将电流互感器的不完全星形接线改为完全星形接线,差式接线改为不完全星形接线;采用二次额定电流小的电流互感器或消耗功率小的继电器等。
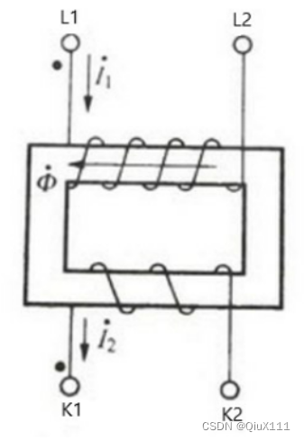
5、应保证电流互感器极性的正确连接。
减极性:当从一次绕组的极性端通入电流时,二次绕组中感应出的电流从极性端流出,以极性端为参考,一二次电流方向相反,因此称为减极性标准。
电流互感器一般采用减极性,即一次电流从L1流入、L2 流出,则二次电流从K1流出、K2 流入。
6.小结
- 电流互感器二次回路的接线方式:一相式接线、三相星形接线和两相星形接线。
- 电压互感器二次回路的基本要求:接线方式、接地、开路、容量、极性五个方面。
一、电压互感器
1、工作原理
电压互感器(TV)主要作用是以合理的准确度,将高电压(一次电压)按电压比(即变比)变换为二次电压,以供继电保护装置及其它测量装置使用,以满足设备及人身的安全。
电压互感器在现场也称为PT(PotentialTransformer)或称压变,目前标准的文字代号为TV。
电压互感器从本质上也是一种降压变压器,只是容量相对其它变压器要小得多。对于保护及测量装置而言,电压互感器近似为一个电压源。
2、电压互感器二次回路接线方式
1、单相接线方式
2、V/V 接线万式
3、星形接线方式
4.星形开口三角形接线方式
- 开口电压为三相电压的相量和即 3U0=U a+Ub +Uc
- 正常运行时,三相对称,所以3U0=U a+Ub +Uc
- 当一相接地时,三相不对称,3U0=U a+Ub +Uc≠0
3、电压互感器二次回路基本要求
1、电压互感器的接线方式应满足测量仪表、远动装置继电保护和自动装置的具体要求
2、应有一个可靠的安全接地点
3、应设置短路保护
具体电压具体分析:空气开关、熔断器等。
中性线和开口三角回路因为正常的时候电压为零不需要装设保护,体现在L、N线。
4、应有防止从二次回路向一次回路反馈电压的措施
5、应保证电压互感器极性的正确连接
与电流互感器一样,电压互感器也有一定的极性。
6.小结
- 电压互感器二次回路的接线方式:单相接线、V/V接线、星形接线和星形开口三角形接线。
- 电压互感器二次回路的基本要求:接线方式、接地、短路保护反充电、极性五个方面。
免责声明:本站所有文章内容,图片,视频等均是来源于用户投稿和互联网及文摘转载整编而成,不代表本站观点,不承担相关法律责任。其著作权各归其原作者或其出版社所有。如发现本站有涉嫌抄袭侵权/违法违规的内容,侵犯到您的权益,请在线联系站长,一经查实,本站将立刻删除。 本文来自网络,若有侵权,请联系删除,如若转载,请注明出处:https://haidsoft.com/158854.html





















