大家好,欢迎来到IT知识分享网。
一、Unix时间戳
1、Unix 时间戳
(1)Unix 时间戳(Unix Timestamp)定义为从UTC/GMT的1970年1月1日0时0分0秒开始所经过的秒数,不考虑闰秒
(2)时间戳存储在一个秒计数器中,秒计数器为32位/64位的整型变量
(3)世界上所有时区的秒计数器相同,不同时区通过添加偏移来得到当地时间
2、UTC/GMT
(1)GMT(Greenwich Mean Time)格林尼治标准时间是一种以地球自转为基础的时间计量系统。它将地球自转一周的时间间隔等分为24小时,以此确定计时标准
(2)UTC(Universal Time Coordinated)协调世界时是一种以原子钟为基础的时间计量系统。它规定铯133原子基态的两个超精细能级间在零磁场下跃迁辐射9,192,631,770周所持续的时间为1秒。当原子钟计时一天的时间与地球自转一周的时间相差超过0.9秒时,UTC会执行闰秒来保证其计时与地球自转的协调一致
3、时间戳转换
C语言的time.h模块提供了时间获取和时间戳转换的相关函数,可以方便地进行秒计数器、日期时间和字符串之间的转换
二、BKP简介
1、BKP(Backup Registers)备份寄存器
(1)BKP可用于存储用户应用程序数据。当VDD(系统的主电源)(2.0~3.6V)电源被切断,他们仍然由VBAT(备用电池电源)(1.8~3.6V)维持供电。当系统在待机模式下被唤醒,或系统复位或电源复位时,他们也不会被复位
(2)TAMPER引脚产生的侵入事件将所有备份寄存器内容清除
(3)RTC引脚输出RTC校准时钟、RTC闹钟脉冲或者秒脉冲
(4)存储RTC时钟校准寄存器
(5)用户数据存储容量:
20字节(中容量和小容量)/ 84字节(大容量和互联型)
2、BKP基本结构
三、RTC简介
1、RTC(Real Time Clock)实时时钟
(1)RTC是一个独立的定时器,可为系统提供时钟和日历的功能
(2)RTC和时钟配置系统处于后备区域,系统复位时数据不清零,VDD(2.0~3.6V)断电后可借助VBAT(1.8~3.6V)供电继续走时
(3)32位的可编程计数器,可对应Unix时间戳的秒计数器
(4)20位的可编程预分频器,可适配不同频率的输入时钟
(5)可选择三种RTC时钟源:
HSE时钟除以128(通常为8MHz/128)
LSE振荡器时钟(通常为32.768KHz)2^15=32768
LSI振荡器时钟(40KHz)
2、RTC框图
3、RTC基本结构
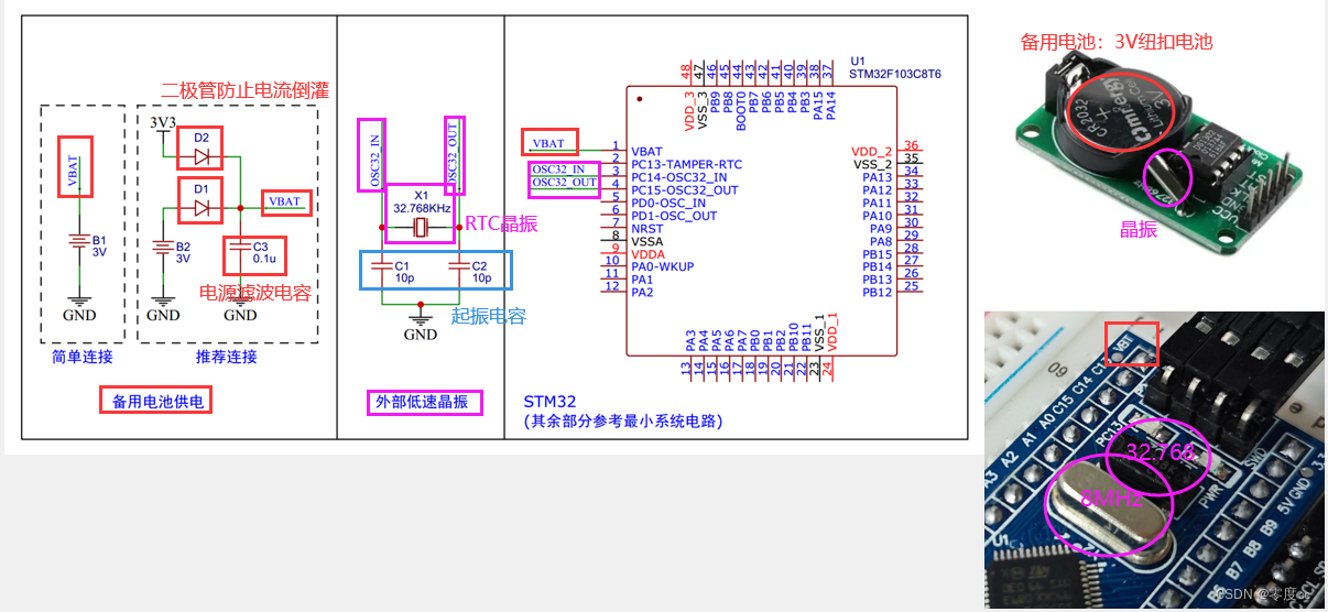
4、硬件电路
5、RTC操作注意事项
(1)执行以下操作将使能对BKP和RTC的访问:
设置RCC_APB1ENR的PWREN和BKPEN,使能PWR和BKP时钟
设置PWR_CR的DBP,使能对BKP和RTC的访问
(2)若在读取RTC寄存器时,RTC的APB1接口曾经处于禁止状态,则软件首先必须等待RTC_CRL寄存器中的RSF位(寄存器同步标志)被硬件置1
(3)必须设置RTC_CRL寄存器中的CNF位,使RTC进入配置模式后,才能写入RTC_PRL、RTC_CNT、RTC_ALR寄存器
(4)对RTC任何寄存器的写操作,都必须在前一次写操作结束后进行。可以通过查询RTC_CR寄存器中的RTOFF状态位,判断RTC寄存器是否处于更新中。仅当RTOFF状态位是1时,才可以写入RTC寄存器
四、读写备份寄存器
1、按照以下接线方式连接,并将STLINK插到电脑上
2、BKP函数驱动模块
(1)BKP库函数的功能
(2)PWR库函数的功能
3、 mian.c
#include "stm32f10x.h" // Device header #include "Delay.h" #include "OLED.h" #include "button.h" uint8_t KeyNum; uint16_t ArrayWrite[] ={0x1234,0x5678}; uint16_t ArrayRead[2]; int main(void) { OLED_Init(); Button_Init(); OLED_ShowString(1,1,"W:"); OLED_ShowString(2,1,"R:"); RCC_APB1PeriphClockCmd(RCC_APB1Periph_PWR,ENABLE); //BKP初始化,使能PWR和BKP时钟 RCC_APB1PeriphClockCmd(RCC_APB1Periph_BKP,ENABLE); PWR_BackupAccessCmd(ENABLE);//对BKP的访问 while(1) { KeyNum = Button_GetNum(); if(KeyNum == 1) { ArrayWrite[0]++; ArrayWrite[1]++; BKP_WriteBackupRegister(BKP_DR1,ArrayWrite[0]); //写BKP寄存器 BKP_WriteBackupRegister(BKP_DR2,ArrayWrite[1]); OLED_ShowHexNum(1,3,ArrayWrite[0],4); OLED_ShowHexNum(1,8,ArrayWrite[1],4); } ArrayRead[0] = BKP_ReadBackupRegister(BKP_DR1); //读BKP寄存器 ArrayRead[1] = BKP_ReadBackupRegister(BKP_DR2); OLED_ShowHexNum(2,3,ArrayRead[0],4); OLED_ShowHexNum(2,8,ArrayRead[1],4); } }
4、实现效果
读写备份寄存器
掉电不丢失
五、实时时钟
1、按照以下接线方式连接,并将STLINK插到电脑上
2、RTC函数驱动模块
(1)RCC库函数的功能
(2)RTC库函数的功能
(3)MyRTC.c
#include "stm32f10x.h" // Device header #include <time.h> uint16_t MyRTC_Time[] = {2023,1,1,23,59,55}; void MyRTC_SetTime(void); void MyRTC_Init(void) { RCC_APB1PeriphClockCmd(RCC_APB1Periph_PWR,ENABLE); //开启PWR和BKP时钟 RCC_APB1PeriphClockCmd(RCC_APB1Periph_BKP,ENABLE); PWR_BackupAccessCmd(ENABLE); //使能BKP和RTC访问 if(BKP_ReadBackupRegister(BKP_DR1) != 0xA5A5)//避免时间重置,只有在备用电源也掉电的时候时间才重置 { RCC_LSEConfig(RCC_LSE_ON);//启动外部LSE晶振 while(RCC_GetFlagStatus(RCC_FLAG_LSERDY) != SET);//等待LSE启动完成 RCC_RTCCLKConfig(RCC_RTCCLKSource_LSE);//选择RTCCLK时钟源:LSE时钟 RCC_RTCCLKCmd(ENABLE);//使能一下时钟 RTC_WaitForSynchro();//等待同步 RTC_WaitForLastTask();//等待上一次操作完成 RTC_SetPrescaler(32768 - 1);//设置预分频器,1Hz RTC_WaitForLastTask();//等待上一次操作完成 MyRTC_SetTime(); BKP_WriteBackupRegister(BKP_DR1,0xA5A5); } else { RTC_WaitForSynchro();//等待同步 RTC_WaitForLastTask();//等待上一次操作完成 } } /* 设置时间 */ void MyRTC_SetTime(void) { time_t time_cnt; struct tm time_date; time_date.tm_year = MyRTC_Time[0] - 1900; time_date.tm_mon = MyRTC_Time[1] - 1; time_date.tm_mday = MyRTC_Time[2]; time_date.tm_hour = MyRTC_Time[3]; time_date.tm_min = MyRTC_Time[4]; time_date.tm_sec = MyRTC_Time[5]; time_cnt = mktime(&time_date) - 8*60*60; RTC_SetCounter(time_cnt); RTC_WaitForLastTask();//等待上一次操作完成 } /* 读取时间 */ void MyRTC_ReadTime(void) { time_t time_cnt; struct tm time_date; time_cnt = RTC_GetCounter() +8*60*60;//获取计数器的值 time_date = *localtime(&time_cnt); MyRTC_Time[0]=time_date.tm_year + 1900; MyRTC_Time[1]=time_date.tm_mon +1; MyRTC_Time[2]=time_date.tm_mday; MyRTC_Time[3]=time_date.tm_hour; MyRTC_Time[4]=time_date.tm_min; MyRTC_Time[5]=time_date.tm_sec; }
(4)MyRTC.h
#ifndef __MYRTC_H #define __MYRTC_H extern uint16_t MyRTC_Time[]; void MyRTC_Init(void); void MyRTC_SetTime(void); void MyRTC_ReadTime(void); #endif
3、编写main.c代码
#include "stm32f10x.h" // Device header #include "Delay.h" #include "OLED.h" #include "MyRTC.h" int main(void) { OLED_Init(); MyRTC_Init(); OLED_ShowString(1,1,"Date:XXXX-XX-XX"); OLED_ShowString(2,1,"Time:XX:XX:XX"); OLED_ShowString(3,1,"CNT :"); OLED_ShowString(4,1,"DIV :"); while(1) { MyRTC_ReadTime(); OLED_ShowNum(1,6,MyRTC_Time[0],4); OLED_ShowNum(1,11,MyRTC_Time[1],2); OLED_ShowNum(1,14,MyRTC_Time[2],2); OLED_ShowNum(2,6,MyRTC_Time[3],2); OLED_ShowNum(2,9,MyRTC_Time[4],2); OLED_ShowNum(2,12,MyRTC_Time[5],2); OLED_ShowNum(3,6,RTC_GetCounter(),10); OLED_ShowNum(4,6,RTC_GetDivider(),10);//余数寄存器,自减32767~0 } }
4、实现效果
实时时钟
掉电不丢失
免责声明:本站所有文章内容,图片,视频等均是来源于用户投稿和互联网及文摘转载整编而成,不代表本站观点,不承担相关法律责任。其著作权各归其原作者或其出版社所有。如发现本站有涉嫌抄袭侵权/违法违规的内容,侵犯到您的权益,请在线联系站长,一经查实,本站将立刻删除。 本文来自网络,若有侵权,请联系删除,如若转载,请注明出处:https://haidsoft.com/113975.html












