大家好,欢迎来到IT知识分享网。
目录
2.2 三相可控整流电路
单相可控整流电路元件少,但其输出电压的脉动较大,引起三相电网不平衡,故适用小容量的设备上。
当负载容量较大,或要求直流电压脉动较小、容易滤波时,则多采用三相可控整流电路。交流侧由三相电源供电。
最基本的是三相半波可控整流电路,三相桥式全控整流电路应用最广。
2.2.1 三相半波可控整流电路
1)电阻负载

电路特点
- 为了得到零线,变压器二次侧必须接成星形,而一次侧接成三角形避免3次谐波进入电网。
- 三个晶闸管分别接入a、b、c三相电源,其阴极连接在一起——共阴极接法。
自然换相点:二极管换相时刻为自然换相点(当









整流变压器二次侧绕组三相正弦波电压相互差120°的波形





晶闸管的电压波形,由3段组成,分别为一段管压降和两段线电压,








特点:负载电流处于连续和断续之间的临界状态。
各波形比


特点:负载电流断续,晶闸管导通角小于120°。
当导通一相相电压过零变负时,该相晶闸管关断,但下一相晶闸管因未导通,此时输出电压电流为零。
电阻负载时α角的移相范围为150°。
整流电压平均值的计算


当



负载电流平均值为:
晶闸管承受的最大反向电压,为变压器二次侧线电压峰值,即
晶闸管阳极与阴极间的最大正向电压等于变压器二次相电压的峰值,即
2)阻感负载

特点:阻感负载,L值很大,


过零时,
不关断,直到
的脉冲到来,才换流,导致
波形中出现负的部分。
波形有一定的脉动,但为简化分析及定量计算,可将
近似为一条水平线。
同样由一段管压降和两段线电压组成。

阻感负载时的移相范围为90°。(即0°~90°)
数量关系




由于负载电流连续,整流电压平均值可由式(2-18)求出。
变压器二次电流即晶闸管电流的有效值为:
晶闸管的额定电流为:
晶闸管最大正、反向电压峰值均为变压器二次线电压峰值:
三相半波的主要缺点在于其变压器二次电流中含有直流分量,为此其应用较少。
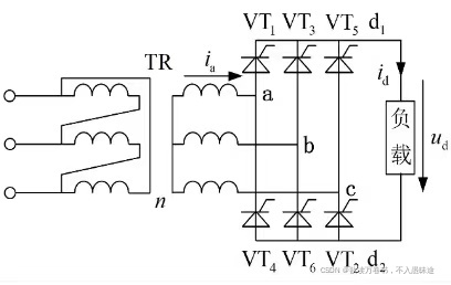
2.2.2 三相桥式全控整流电路

共阴极组——阴极连接在一起的3个晶闸管(


共阳极组——阳极连接在一起的3个晶闸管(


导通顺序:
1)带电阻负载时的工作情况



各自然换相点既是相电压的交点,也是线电压的交点。
当



α=60°时,

当


带电阻负载时三相桥式全控整流电路
晶闸管及输出整流电压的情况:
| 时段 | Ⅰ | Ⅱ | Ⅲ | Ⅳ | Ⅴ | Ⅵ |
| 共阴极组中导通的晶闸管 | ![]() |
![]() |
![]() |
![]() |
![]() |
![]() |
| 共阳极组中导通的晶闸管 | ![]() |
![]() |
![]() |
![]() |
![]() |
![]() |
整流输出电压![]() |
![]() |
![]() |
![]() |
![]() |
![]() |
![]() |
三相桥式全控整流电路的特点
(1)2管同时导通形成供电回路,其中共阴极组和共阳极组各1,且不能为同一相器件。
(2)对触发脉冲的要求:
- 按
的顺序,相位依次差60°。
- 共阴极组
、
、
的脉冲依次差120°,共阳极组
、
、
也依次差120°。
- 同一相的上下两个桥臂,即
与
,
与
,
与
,脉冲相差180°。
(3)
(4)需保证同时导通的2个晶闸管均有脉冲,可采用两种方法:一种是宽脉冲触发(宽脉冲大于60°,一般取80°~100°),一种是双脉冲触发(常用,双脉冲相差60°,脉宽一般为20°~30°)
(5)晶闸管承受的电压波形与三相半波时相同,晶闸管承受最大正、反向电压的关系也相同。
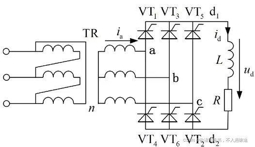
2)阻感负载时的工作情况





区别在于:得到的负载电流



阻感负载时的工作情况与电阻负载时不同。
电阻负载时,

当α=90°时,

3)定量分析
当整流输出电压连续时(即带阻感负载时,或带电阻负载
带电阻负载且
输出电流平均值为:
当整流变压器采用星形接法,带阻感负载时,变压器二次侧电流的有效值为:
晶闸管电压、电流等的定量分析与三相半波时一致。
接反电势阻感负载时,在负载电流连续的情况下,电路工作情况与电感性负载时相似,电路中各处电压、电流波形均相同。
仅在计算

式中的R和E分别为负载中的电阻值和反电动势的值。
免责声明:本站所有文章内容,图片,视频等均是来源于用户投稿和互联网及文摘转载整编而成,不代表本站观点,不承担相关法律责任。其著作权各归其原作者或其出版社所有。如发现本站有涉嫌抄袭侵权/违法违规的内容,侵犯到您的权益,请在线联系站长,一经查实,本站将立刻删除。 本文来自网络,若有侵权,请联系删除,如若转载,请注明出处:https://haidsoft.com/129604.html
