大家好,欢迎来到IT知识分享网。
目录
放大电路是模拟电子技术的核心电路
必要条件:有缘元件
前提:不失真
测试信号:正弦波
目标:把小功率信号 → 大功率
1. 分类
(1) 电压放大电路
R L R_L RL:负载电阻。
(2) 电流放大电路
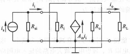
*(3) 互阻放大电路
把电流信号转换为电压信号
*(4) 互导放大电路
把电压信号转换为电流信号
(5) 隔离放大电路
放大电路所增加的能量来自于外加电源,图中省略。
2. 放大电路的主要性能指标
(1) 输入电阻
决定放大电路能从信号源获取多大的信号
求法步骤:
- 把电路变换成小信号等效模型(负载 R L R_L RL不能省略);
- 分别从输入端口和输出端口看,根据一般的电路问题求出输出电阻。
交流激励时的电阻
(2) 输出电阻
决定了电路带负载能力。
求法步骤:
- 把电路变换成小信号等效模型(负载 R L R_L RL不能省略);
- 分别从输入端口和输出端口看,根据一般的电路问题求出输出电阻。
交流激励时的交流电阻
(3) 放大倍数
电 压 放 大 倍 数 = A v = v o v i 电压放大倍数= A_v = \frac{v_o}{v_i} 电压放大倍数=Av=vivo
电 流 放 大 倍 数 = A i = i o i i 电流放大倍数= A_i = \frac{i_o}{i_i} 电流放大倍数=Ai=iiio
互 阻 放 大 倍 数 = A r = R o R i 互阻放大倍数= A_r =\frac{R_o}{R_i} 互阻放大倍数=Ar=RiRo
互 导 放 大 倍 数 = A g = G o G i 互导放大倍数= A_g =\frac{G_o}{G_i} 互导放大倍数=Ag=GiGo
功 率 放 大 倍 数 = A p = P o P i 功率放大倍数 = A_p = \frac{P_o}{P_i} 功率放大倍数=Ap=PiPo
A p = A u A i A_p = A_uA_i Ap=AuAi
(4) 增益
物理意义:反映放大电路在输入信号控制下,将供电电源能量转换为信号能量的能力。
电 压 增 益 = 20 l g ∣ A v ∣ d B 电压增益 = 20lg~|A_v|~dB 电压增益=20lg ∣Av∣ dB
电 流 增 益 = 20 l g ∣ A i ∣ d B 电流增益 = 20lg~|A_i|~dB 电流增益=20lg ∣Ai∣ dB
功 率 增 益 = 10 l g A p d B 功率增益 = 10lg~A_p~dB 功率增益=10lg Ap dB
单位:
- B,贝尔
- dB,分贝
1 B = 10 d B 1~B = 10~dB 1 B=10 dB
功率增益
(5) 频率响应
物理意义:反映在正弦信号情况下,输出随输入信号频率连续变化的稳态响应。
(6) 非线性失真
非线性失真:发大电路的电压增益随输入电压的变化而变化而引起的失真。
传输特性曲线:描述放大电路输出量与输入量关系的曲线。
非线性失真系数
γ = V o 1 × 100 \gamma = \frac{}{V_{o1}} \times 100 γ=Vo1×100
免责声明:本站所有文章内容,图片,视频等均是来源于用户投稿和互联网及文摘转载整编而成,不代表本站观点,不承担相关法律责任。其著作权各归其原作者或其出版社所有。如发现本站有涉嫌抄袭侵权/违法违规的内容,侵犯到您的权益,请在线联系站长,一经查实,本站将立刻删除。 本文来自网络,若有侵权,请联系删除,如若转载,请注明出处:https://haidsoft.com/148494.html




