大家好,欢迎来到IT知识分享网。
目录
数字滤波器的作用就是把输入信号起到滤波的作用;即数字滤波器是一个由差分方程表述的一类特殊的离散实践系统。它的功能就是把输入序列通过一定的运算变成输出序列。而不同的运算方法处理方法决定了滤波器的实现结构的不同。数字滤波器主要可分为低通、高通、带通、带阻和全通这几个分类。同时它也可以分成时不变或者时变的、线性或者非线性的、因果或者非因果的。其中应用最广泛的应该是线性、时不变的数字滤波器。滤波器凭借着它本身具有的高可靠性、高精度性、便于集成性和可程序控制性等特点在语音信号处理、医学生物信号处理、数字图像信号处理等多方面等到广泛的应用,例如数字电视、语音、通信、雷达、声纳、遥感、图像、生物医学以及许多工程应用领域。在现代的通信系统、数字图像处理系统中,由于信号自身经常混有各种复杂的成分,所以对很多信号的分析都是基于滤波器而进行的,而数字滤波器是通过数值的运算来实现滤波,可以实现模拟滤波器无法实现的特殊的滤波功能。研究数字滤波器,使其可以在未来发展的更多现代通信系统中得到应用,让其可以更有效率、更准确的服务于现代通信系统中是非常有必要的。
1.IIR滤波器的原理
IIR(Infinite Impulse Response)滤波器,也叫“无限脉冲响应滤波器”。IIR滤波器主要有三个特点:
(1)单位取样的响应是无限长的,也就是h(n),-∞<n<+∞;
(2)系统函数H(Z)在有限平面z上有极点的存在;
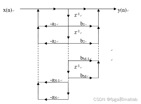
(3)在结构上,有着与输出到输入这样的反馈网络,也就是说结构是递归的。
实现这个系统的传递函数在结构上大概可以分成三类直接型,级联型和并联型。而直接型可以分成直接Ⅰ型和直接Ⅱ型。 如下图所示:
数字滤波器可以用差分方程来表示:
2.FIR滤波器的原理
FIR(Finite Impulse Response)滤波器,也称为“有限单位冲击响应滤波器”,FIR滤波器是在数字信号处理中一个比较基础的滤波器,因为它可以保证在任何幅频特性的情况下保持严格的线性相频的特征,与此同时,它的抽样响应也是有限长度的,所以,它相对于其他滤波器稳定的很多。
FIR滤波器的基本结构有如下:
1. 直接型:如图可以看出直接型结构共需要N个乘法器,若系数不对称则不能设计线性相位。
2. 级联型:这种结构的每一节控制一对共轭极点,因此调整传输零点方便,但是这种结构所需的系数和所需的乘法运算比直接型多,所以这种结构使用的比较少。
3. FIR滤波器和IIR滤波器的的比较
IIR滤波器系统函数的极点可以位于单位圆内的任何地方,因此可以用较低的阶数获得高选择性,所用存储单元少,经济而效率高。但这些是以相位的非线性为代价的。选择性越好,则相位非线性越严重。相反,FIR滤波器却可以得到严格的线性相位,然而由于FIR滤波器系统函数的极点固定在原点,所以只能用较高的阶数达到高选择性,对于同样的滤波器设计指标,FIR滤波器所求的阶数可以比IIR滤波器高5一10倍,成本较高,信号延时也较大。如果按相同的选择性和相同的线性相位要求来说,则IIR滤波器就必须加全通网络进行相位校正,同样要大大增加滤波器的节数和复杂性。
FIR滤波器可以用非递归方法实现,有限精度的计算不会产生振荡。同时由于量化舍入以及系数的不准确所引起的误差的影响比IIR滤波器要小得多。显然对IIR滤波器必须留心稳定性问题,注意极点是否会位于单位圆之外,另外有限字长效应有时会引起寄生振荡。再者FIR滤波器可采用FTF算法,在相同阶数下,运算速度可以快得多。
IIR滤波器可以借助于模拟滤波器的成果,一般都有有效的封闭式设计公式可供准确计算,计算工作量比较小,对计算工具要求不高。FRI滤波器没有现成设计公式。窗函数法仅仅可以给出窗函数的计算公式,但计算通、阻带衰减仍无显式表达式、其他大多数设计FIR滤波器的方法都需要借助计算机辅助设计。
IIR滤波器设计法,主要是设计规格化的,频率特性为分段常数的滤波器,而FIR滤波器则易于适应某些特殊应用,如构成微分器或积分器,或用于巴特握斯、切比雪夫等逼近不可能达到预定指标的情况,例如由于某些原因要求三角形振幅响应。
4. 基于的窗函数法FIR滤波器数字滤波器设计
窗函数设计法又称为傅里叶级数法,由IDTFT可得出滤波器的单位脉冲响应为
常用的窗函数如下所示:
矩形窗
Hanning窗
由Hanning窗的定义可知,Hanning窗在其两个端点的值为零,这就使得在实际的应用中不能利用两个端点的数据。我们可将N+2点的Hanning窗除去两个端点来定义长度为N的Hanning窗。修改后的长度为N的Hanning窗定义为
Hamming窗
Blackman窗
Kaiser窗
通过改变窗函数的形状来控制窗函数旁瓣的大小,从而在设计中可用滤波器的衰减指标来确定窗函数的形状。长度为N的Kaiser窗定义为
免责声明:本站所有文章内容,图片,视频等均是来源于用户投稿和互联网及文摘转载整编而成,不代表本站观点,不承担相关法律责任。其著作权各归其原作者或其出版社所有。如发现本站有涉嫌抄袭侵权/违法违规的内容,侵犯到您的权益,请在线联系站长,一经查实,本站将立刻删除。 本文来自网络,若有侵权,请联系删除,如若转载,请注明出处:https://haidsoft.com/153805.html











